How it Works
Log In / Sign Up
Buy Points
How it Works
FAQ
Contact Us
Questions and Suggestions
Users
Toshiba
Loading...
#
28N13
28N13B
28N13D
28N13D2
28N14D
2
28N14G
2
28N23B
28N23G
28N33B
28N33D
28N33DZ
28N33E1
28N33E2
28N33F
28N33FZ
28N53
28N53G
28W23B
28W27B
28W33B
28W33G
28W37B
28W3DXH
28W8DB
2
28W93B
28WD96G
28WD98B
28WT98B
28YT56
28Z05B
2
28Z07B
28Z13B
2
28Z13BG
2
28Z13CD
28Z13G
2
28Z23B
2
28Z23G
28Z27B
2
28Z33B
3
28Z44B
2
28Z47B
28ZD06B
2
28ZD06G
28ZD26P
28ZH37P
28ZH46P
3
28ZH47P
28ZT29B
2
2927DB
2927DT
2929DD
2
2938XP
2939DB
2
2975DE
2
2975SH
2
2979XP
2982 AVS
2987DB
2
2998DG
29A3
29A3DE
3
29A3E
3
29A3SH
3
29AS30
29AS41
2
29AS42
29AX9UM
3
29AZ8UA
29AZ8UE
29AZ9UA
29CJZ5SR
2
29CJZ6DR
29CJZ8UR
2
29CSZ8UR
2
29CVZ6DR
29CZ5DE
3
29CZ5T
2
29CZ6DA
29CZ6SI
2
29CZ6TES
2
29CZ8URB
29CZ8URS
2
29CZ9UE
29CZ9UES
29D2XC
29G3SHC
2
29G3XE
29G5DE
29G5XE
29G9UC
29G9UXC
29JF8UC
29JH7UC
29JK7UC
29JZ5DA
2
29JZ5DE
2
29JZ5DM
2
29JZ5DMQ
2
29JZ5SH
2
2957
Loading...
Loading...
Nothing found
2929DD
Cirquit Diagram
16 pgs
5.42 Mb
0
Service manual & schematics
16 pgs
2.64 Mb
0
Table of contents
Loading...
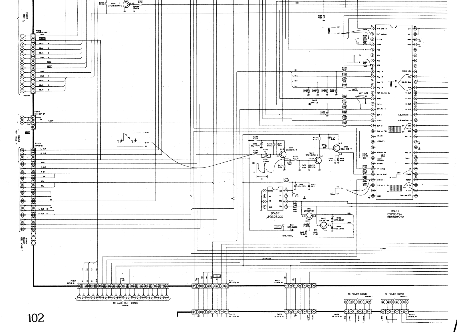
Toshiba 2929DD Cirquit Diagram
...
Toshiba Cirquit Diagram
Download
Specifications and Main Features
Frequently Asked Questions
User Manual
Download
Page 1
Page 2
Page 3
Page 4
Page 5
Page 6
Page 7
Page 8
Page 9
Page 10
Page 11
Page 12
Page 13
Page 14
Page 15
Page 16
Loading...
+
hidden pages
Unhide
You need points to download manuals.
1 point = 1 manual.
You can buy points or you can get point for every manual you upload.
Buy points
Upload your manuals