JVC xl-p40 Service Manual
...
JVC Service Manual
Specifications and Main Features
Frequently Asked Questions
Page 1
Page 2
Page 3
Page 4
Page 5
Page 6
Page 7
Page 8
Page 9
Page 10
Page 11
Page 12
Page 13
Page 14
Page 15
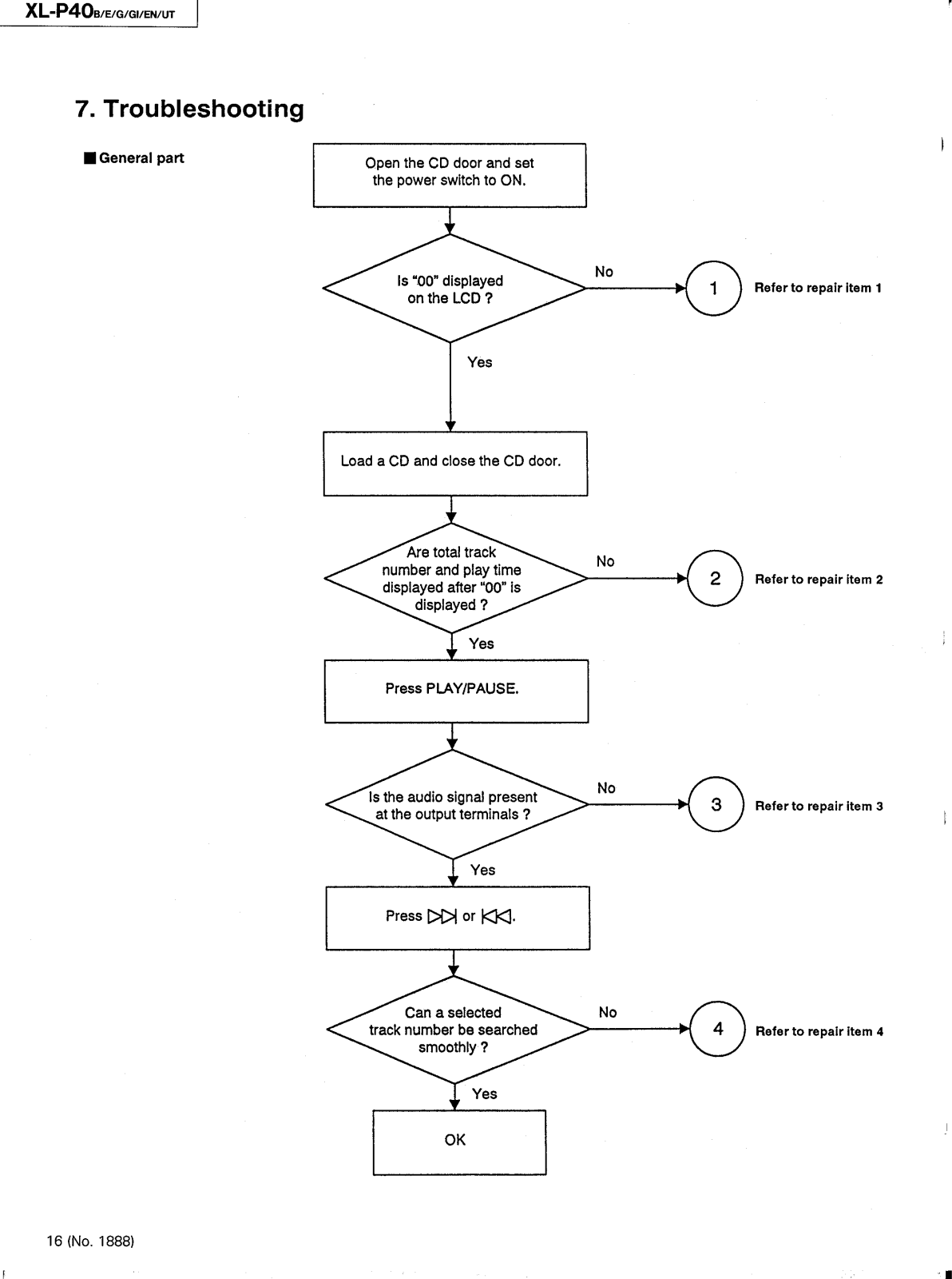
Page 16
Page 17
Page 18
Page 19
Page 20
Page 21
Page 22
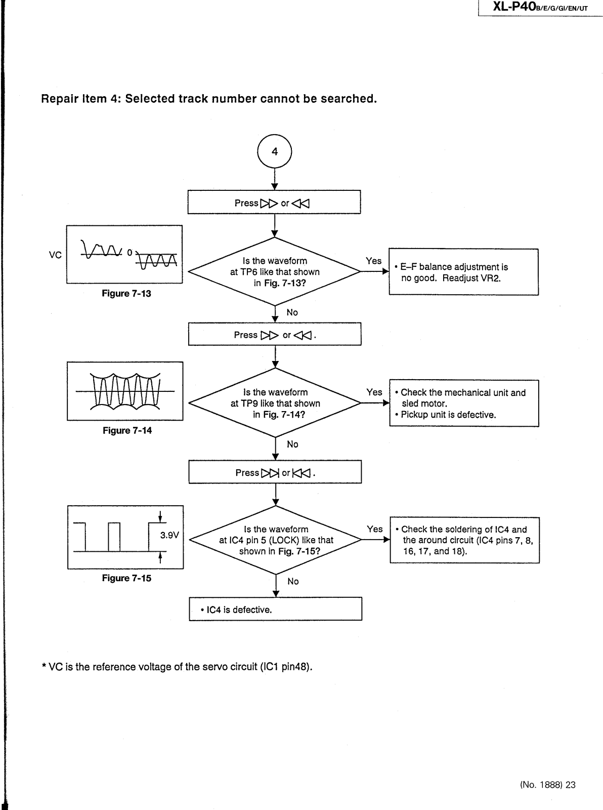
Page 23
Page 24
Page 25
Page 26
Page 27
Page 28
Page 29
Page 30
Page 31
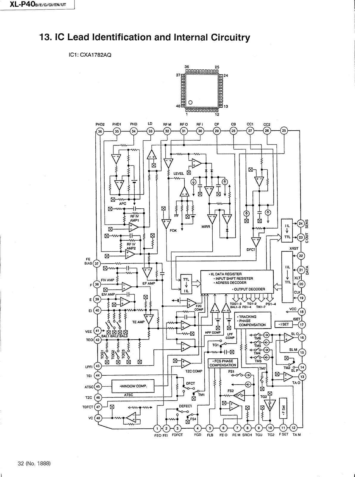
Page 32
Page 33
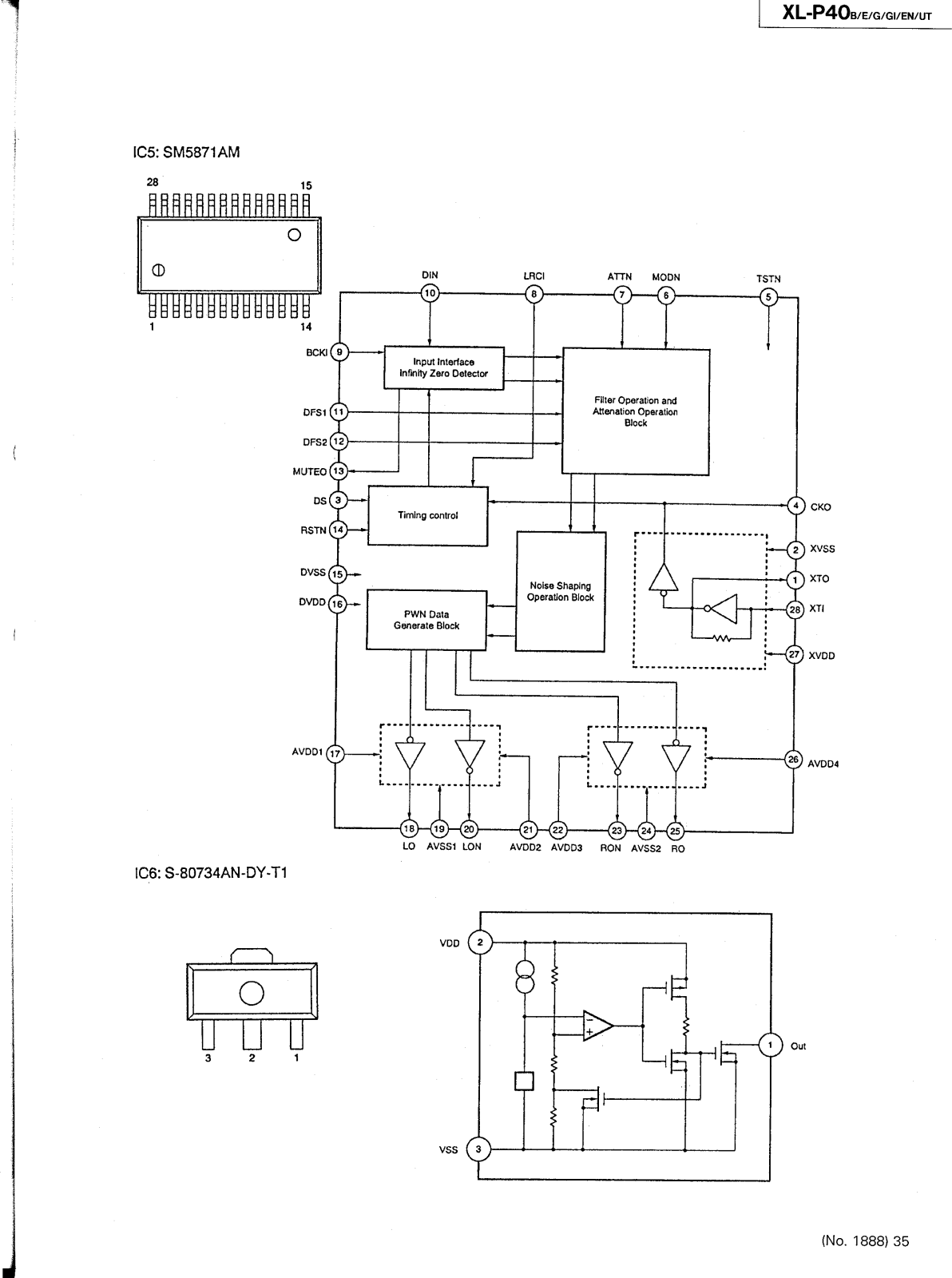
Page 34
Page 35
Page 36
Page 37
Page 38
Page 39
Page 40
Page 41
Page 42
Page 43
Page 44
Page 45
Loading...