JLG 723A Parts Manual

Page 1
An Oshkosh Corporation Company
Illustrated Parts Manual
Models
L2906H, 2906H,
3507H, 619A,
723A,
Agrovector
31200566
Revised
February 17, 2014
Page 2
Page 3

EFFECTIVITY PAGE

April 22, 2009 - A - Original Release of Manual
September 22, 2010 - B - Revised Manual; Added Models 29.6LP, 29.6 & 35.7
October 21, 2011 - C - Revised Manual
November 30, 2011 - D - Revised Manual
June 8, 2012 - E - Revised Manual
February 8, 2013 - F - Revised Manual
May 6, 2013 - G - Revised Manual
August 1, 2013 - H - Revised Manual
January 10, 2014 - I - Revised Manual
February 17, 2014 - J - Revised Manual
31200566 L2906H, 2906H, 3507H, 619A, 723A, 29.6LP, 29.6, 35.7 i
Page 4
EFFECTIVITY PAGE
L2906H, 2906H, 3507H, 619A, 723A, 29.6LP, 29.6, 35.7 31200566ii
Page 5

TABLE OF CONTENTS

FIGURE NO. TITLE PAGE NO.
SECTION 1 –
FRAME & ATTACHING PARTS . . . . . . . . . . . . . . . . . . . . . . . . . . . . . . . . . . . . . . . . . . . . . . . . 1-1
1-1 Frame Shrouding & Trim . . . . . . . . . . . . . . . . . . . . . . . . . . . . . . . . . . . . . . . . . . . . . . . . . . . . . . . 1-2
1-2 Engine Cover Installation & Engine Pod Insulation . . . . . . . . . . . . . . . . . . . . . . . . . . . . . . . . . . . 1-8
1-3 Axle & Fender Installation . . . . . . . . . . . . . . . . . . . . . . . . . . . . . . . . . . . . . . . . . . . . . . . . . . . . . . 1-10
1-4 Draw Bar Coupling . . . . . . . . . . . . . . . . . . . . . . . . . . . . . . . . . . . . . . . . . . . . . . . . . . . . . . . . . . . . 1-14
1-5 Pin Hitch - Cuna C & Cuna D2 . . . . . . . . . . . . . . . . . . . . . . . . . . . . . . . . . . . . . . . . . . . . . . . . . . . 1-16
1-6 EEC Auto, EEC Manual & EEC Auto Piton-Frame Swivel Hitch . . . . . . . . . . . . . . . . . . . . . . . . . 1-18
1-7 Hydraulic Hitch . . . . . . . . . . . . . . . . . . . . . . . . . . . . . . . . . . . . . . . . . . . . . . . . . . . . . . . . . . . . . . . 1-20
1-8 Pintle Hitch . . . . . . . . . . . . . . . . . . . . . . . . . . . . . . . . . . . . . . . . . . . . . . . . . . . . . . . . . . . . . . . . . . 1-22
SECTION 2 –
BOOM . . . . . . . . . . . . . . . . . . . . . . . . . . . . . . . . . . . . . . . . . . . . . . . . . . . . . . . . . . . . . . . . . . . . 2-1
2-1 Boom Installation . . . . . . . . . . . . . . . . . . . . . . . . . . . . . . . . . . . . . . . . . . . . . . . . . . . . . . . . . . . . . 2-2
2-2 Boom Assembly - Pads & Shims . . . . . . . . . . . . . . . . . . . . . . . . . . . . . . . . . . . . . . . . . . . . . . . . . 2-6
2-3 Quick Attach . . . . . . . . . . . . . . . . . . . . . . . . . . . . . . . . . . . . . . . . . . . . . . . . . . . . . . . . . . . . . . . . . 2-10
2-4 JD Quick Attach . . . . . . . . . . . . . . . . . . . . . . . . . . . . . . . . . . . . . . . . . . . . . . . . . . . . . . . . . . . . . . 2-12
SECTION 3 –
ATTACHMENTS . . . . . . . . . . . . . . . . . . . . . . . . . . . . . . . . . . . . . . . . . . . . . . . . . . . . . . . . . . . . 3-1
3-1 Carriage Assembly . . . . . . . . . . . . . . . . . . . . . . . . . . . . . . . . . . . . . . . . . . . . . . . . . . . . . . . . . . . . 3-2
3-2 Side Shift Carriage . . . . . . . . . . . . . . . . . . . . . . . . . . . . . . . . . . . . . . . . . . . . . . . . . . . . . . . . . . . . 3-4
3-3 Side Tilt Carriage . . . . . . . . . . . . . . . . . . . . . . . . . . . . . . . . . . . . . . . . . . . . . . . . . . . . . . . . . . . . . 3-6
3-4 Fork Position/ Side Shift Carriage . . . . . . . . . . . . . . . . . . . . . . . . . . . . . . . . . . . . . . . . . . . . . . . . 3-10
3-5 Forks & Fork Extensions . . . . . . . . . . . . . . . . . . . . . . . . . . . . . . . . . . . . . . . . . . . . . . . . . . . . . . . 3-14
3-6 Truss Booms . . . . . . . . . . . . . . . . . . . . . . . . . . . . . . . . . . . . . . . . . . . . . . . . . . . . . . . . . . . . . . . . 3-16
3-7 Buckets . . . . . . . . . . . . . . . . . . . . . . . . . . . . . . . . . . . . . . . . . . . . . . . . . . . . . . . . . . . . . . . . . . . . . 3-18
3-8 Multi-Purpose Buckets . . . . . . . . . . . . . . . . . . . . . . . . . . . . . . . . . . . . . . . . . . . . . . . . . . . . . . . . . 3-20
3-9 Manure Bucket . . . . . . . . . . . . . . . . . . . . . . . . . . . . . . . . . . . . . . . . . . . . . . . . . . . . . . . . . . . . . . . 3-22
3-10 Fork Mounted Hook . . . . . . . . . . . . . . . . . . . . . . . . . . . . . . . . . . . . . . . . . . . . . . . . . . . . . . . . . . . 3-24
3-11 Concrete Ladle . . . . . . . . . . . . . . . . . . . . . . . . . . . . . . . . . . . . . . . . . . . . . . . . . . . . . . . . . . . . . . . 3-28
3-12 Round Fork Tine . . . . . . . . . . . . . . . . . . . . . . . . . . . . . . . . . . . . . . . . . . . . . . . . . . . . . . . . . . . . . . 3-30
3-13 Bale Handler . . . . . . . . . . . . . . . . . . . . . . . . . . . . . . . . . . . . . . . . . . . . . . . . . . . . . . . . . . . . . . . . . 3-32
3-14 Universal Hitch Attach . . . . . . . . . . . . . . . . . . . . . . . . . . . . . . . . . . . . . . . . . . . . . . . . . . . . . . . . . 3-34
3-15 Fork Mounted Platform . . . . . . . . . . . . . . . . . . . . . . . . . . . . . . . . . . . . . . . . . . . . . . . . . . . . . . . . . 3-36
SECTION 4 –
ENGINE & ATTACHING PARTS . . . . . . . . . . . . . . . . . . . . . . . . . . . . . . . . . . . . . . . . . . . . . . . 4-1
4-1 Engine Installation . . . . . . . . . . . . . . . . . . . . . . . . . . . . . . . . . . . . . . . . . . . . . . . . . . . . . . . . . . . . 4-2
4-2 Deutz Engine . . . . . . . . . . . . . . . . . . . . . . . . . . . . . . . . . . . . . . . . . . . . . . . . . . . . . . . . . . . . . . . . 4-6
4-3 Fuel Tank & Lines . . . . . . . . . . . . . . . . . . . . . . . . . . . . . . . . . . . . . . . . . . . . . . . . . . . . . . . . . . . . 4-8
4-4 Radiator Installation . . . . . . . . . . . . . . . . . . . . . . . . . . . . . . . . . . . . . . . . . . . . . . . . . . . . . . . . . . . 4-10
4-5 Air Cleaner Installation . . . . . . . . . . . . . . . . . . . . . . . . . . . . . . . . . . . . . . . . . . . . . . . . . . . . . . . . . 4-14
4-6 Exhaust Installation . . . . . . . . . . . . . . . . . . . . . . . . . . . . . . . . . . . . . . . . . . . . . . . . . . . . . . . . . . . 4-16
31200566 L2906H, 2906H, 3507H, 619A, 723A, 29.6LP, 29.6, 35.7 iii
Page 6
TABLE OF CONTENTS
FIGURE NO. TITLE PAGE NO.
SECTION 5 –
DRIVE TRAIN . . . . . . . . . . . . . . . . . . . . . . . . . . . . . . . . . . . . . . . . . . . . . . . . . . . . . . . . . . . . . . . 5-1
5-1 Front Axle . . . . . . . . . . . . . . . . . . . . . . . . . . . . . . . . . . . . . . . . . . . . . . . . . . . . . . . . . . . . . . . . . . . 5-2
5-2 Front Axle - Housing . . . . . . . . . . . . . . . . . . . . . . . . . . . . . . . . . . . . . . . . . . . . . . . . . . . . . . . . . . 5-4
5-3 Front Axle - Housing & Steering Cylinder . . . . . . . . . . . . . . . . . . . . . . . . . . . . . . . . . . . . . . . . . . 5-8
5-4 Front Axle - Bevel Gear Set . . . . . . . . . . . . . . . . . . . . . . . . . . . . . . . . . . . . . . . . . . . . . . . . . . . . . 5-10
5-5 Front Axle - Differential . . . . . . . . . . . . . . . . . . . . . . . . . . . . . . . . . . . . . . . . . . . . . . . . . . . . . . . . 5-12
5-6 Front Axle - Double U-Joint . . . . . . . . . . . . . . . . . . . . . . . . . . . . . . . . . . . . . . . . . . . . . . . . . . . . . 5-14
5-7 Front Axle - Brakes . . . . . . . . . . . . . . . . . . . . . . . . . . . . . . . . . . . . . . . . . . . . . . . . . . . . . . . . . . . 5-16
5-8 Front Axle - Wheel Hub & Final Reduction . . . . . . . . . . . . . . . . . . . . . . . . . . . . . . . . . . . . . . . . . 5-18
5-9 Front Axle - Transmission Housing . . . . . . . . . . . . . . . . . . . . . . . . . . . . . . . . . . . . . . . . . . . . . . . 5-22
5-10 Front Axle - Lower & Upper Shaft . . . . . . . . . . . . . . . . . . . . . . . . . . . . . . . . . . . . . . . . . . . . . . . . 5-24
5-11 Rear Axle . . . . . . . . . . . . . . . . . . . . . . . . . . . . . . . . . . . . . . . . . . . . . . . . . . . . . . . . . . . . . . . . . . . 5-26
5-12 Rear Axle Housing . . . . . . . . . . . . . . . . . . . . . . . . . . . . . . . . . . . . . . . . . . . . . . . . . . . . . . . . . . . . 5-28
5-13 Rear Axle - Steering Components . . . . . . . . . . . . . . . . . . . . . . . . . . . . . . . . . . . . . . . . . . . . . . . . 5-30
5-14 Rear Axle - Bevel Gear Set . . . . . . . . . . . . . . . . . . . . . . . . . . . . . . . . . . . . . . . . . . . . . . . . . . . . . 5-32
5-15 Rear Axle - Differential . . . . . . . . . . . . . . . . . . . . . . . . . . . . . . . . . . . . . . . . . . . . . . . . . . . . . . . . . 5-34
5-16 Rear Axle - Double U-Joint . . . . . . . . . . . . . . . . . . . . . . . . . . . . . . . . . . . . . . . . . . . . . . . . . . . . . 5-38
5-17 Rear Axle - Wheel Hub & Final Reduction . . . . . . . . . . . . . . . . . . . . . . . . . . . . . . . . . . . . . . . . . . 5-40
5-18 Drive Shaft Assembly . . . . . . . . . . . . . . . . . . . . . . . . . . . . . . . . . . . . . . . . . . . . . . . . . . . . . . . . . . 5-44
5-19 Tires & Wheel Installation . . . . . . . . . . . . . . . . . . . . . . . . . . . . . . . . . . . . . . . . . . . . . . . . . . . . . . 5-46
SECTION 6 –
CAB . . . . . . . . . . . . . . . . . . . . . . . . . . . . . . . . . . . . . . . . . . . . . . . . . . . . . . . . . . . . . . . . . . . . . . 6-1
6-1 Cab Installation . . . . . . . . . . . . . . . . . . . . . . . . . . . . . . . . . . . . . . . . . . . . . . . . . . . . . . . . . . . . . . 6-2
6-2 Cab Common Assembly . . . . . . . . . . . . . . . . . . . . . . . . . . . . . . . . . . . . . . . . . . . . . . . . . . . . . . . 6-10
6-3 Interior Installation . . . . . . . . . . . . . . . . . . . . . . . . . . . . . . . . . . . . . . . . . . . . . . . . . . . . . . . . . . . . 6-14
6-4 Cab Door & Window Installation . . . . . . . . . . . . . . . . . . . . . . . . . . . . . . . . . . . . . . . . . . . . . . . . . 6-18
6-5 Wiper Installations . . . . . . . . . . . . . . . . . . . . . . . . . . . . . . . . . . . . . . . . . . . . . . . . . . . . . . . . . . . . 6-22
6-6 Seat Assemblies . . . . . . . . . . . . . . . . . . . . . . . . . . . . . . . . . . . . . . . . . . . . . . . . . . . . . . . . . . . . . 6-24
6-7 Heater Installation . . . . . . . . . . . . . . . . . . . . . . . . . . . . . . . . . . . . . . . . . . . . . . . . . . . . . . . . . . . . 6-28
6-8 Heat & A/C Installation . . . . . . . . . . . . . . . . . . . . . . . . . . . . . . . . . . . . . . . . . . . . . . . . . . . . . . . . . 6-32
6-9 Front Cab Glass Shield . . . . . . . . . . . . . . . . . . . . . . . . . . . . . . . . . . . . . . . . . . . . . . . . . . . . . . . . 6-44
6-10 Grease Gun Tool Kit Installation . . . . . . . . . . . . . . . . . . . . . . . . . . . . . . . . . . . . . . . . . . . . . . . . . 6-46
6-11 Oil Temp Gauge Installation & Fire Extinguisher Installation . . . . . . . . . . . . . . . . . . . . . . . . . . . . 6-48
6-12 Radio Prep Installation . . . . . . . . . . . . . . . . . . . . . . . . . . . . . . . . . . . . . . . . . . . . . . . . . . . . . . . . . 6-50
SECTION 7 –
CONTROLS . . . . . . . . . . . . . . . . . . . . . . . . . . . . . . . . . . . . . . . . . . . . . . . . . . . . . . . . . . . . . . . . 7-1
7-1 Joystick . . . . . . . . . . . . . . . . . . . . . . . . . . . . . . . . . . . . . . . . . . . . . . . . . . . . . . . . . . . . . . . . . . . . 7-2
7-2 Steering Column . . . . . . . . . . . . . . . . . . . . . . . . . . . . . . . . . . . . . . . . . . . . . . . . . . . . . . . . . . . . . 7-4
7-3 Throttle Assembly . . . . . . . . . . . . . . . . . . . . . . . . . . . . . . . . . . . . . . . . . . . . . . . . . . . . . . . . . . . . 7-6
7-4 Brake Pedal Components . . . . . . . . . . . . . . . . . . . . . . . . . . . . . . . . . . . . . . . . . . . . . . . . . . . . . . 7-8
L2906H, 2906H, 3507H, 619A, 723A, 29.6LP, 29.6, 35.7 31200566iv
Page 7
TABLE OF CONTENTS
FIGURE NO. TITLE PAGE NO.
SECTION 8 –
HYDRAULIC CIRCUITS . . . . . . . . . . . . . . . . . . . . . . . . . . . . . . . . . . . . . . . . . . . . . . . . . . . . . . 8-1
8-1 Supply Circuit . . . . . . . . . . . . . . . . . . . . . . . . . . . . . . . . . . . . . . . . . . . . . . . . . . . . . . . . . . . . . . . . 8-2
8-2 Dump Circuit . . . . . . . . . . . . . . . . . . . . . . . . . . . . . . . . . . . . . . . . . . . . . . . . . . . . . . . . . . . . . . . . . 8-6
8-3 Orbital Steering & Steering Select Circuit . . . . . . . . . . . . . . . . . . . . . . . . . . . . . . . . . . . . . . . . . . 8-10
8-4 Service & Park Brake Circuit . . . . . . . . . . . . . . . . . . . . . . . . . . . . . . . . . . . . . . . . . . . . . . . . . . . . 8-12
8-5 Lift Cylinder Circuit . . . . . . . . . . . . . . . . . . . . . . . . . . . . . . . . . . . . . . . . . . . . . . . . . . . . . . . . . . . . 8-14
8-6 Extend/Retract Cylinder Circuit . . . . . . . . . . . . . . . . . . . . . . . . . . . . . . . . . . . . . . . . . . . . . . . . . . 8-16
8-7 Tilt & Tilt Compensation Cylinder Circuit . . . . . . . . . . . . . . . . . . . . . . . . . . . . . . . . . . . . . . . . . . . 8-18
8-8 Auxiliary Hydraulic Circuit . . . . . . . . . . . . . . . . . . . . . . . . . . . . . . . . . . . . . . . . . . . . . . . . . . . . . . . 8-20
8-9 Rear Auxiliary Hydraulic Installation . . . . . . . . . . . . . . . . . . . . . . . . . . . . . . . . . . . . . . . . . . . . . . . 8-22
8-10 Trailer Brakes . . . . . . . . . . . . . . . . . . . . . . . . . . . . . . . . . . . . . . . . . . . . . . . . . . . . . . . . . . . . . . . . 8-24
SECTION 9 –
HYDRAULIC COMPONENTS . . . . . . . . . . . . . . . . . . . . . . . . . . . . . . . . . . . . . . . . . . . . . . . . . . 9-1
9-1 Lift Cylinder . . . . . . . . . . . . . . . . . . . . . . . . . . . . . . . . . . . . . . . . . . . . . . . . . . . . . . . . . . . . . . . . . 9-2
9-2 Extend/Retract Cylinder . . . . . . . . . . . . . . . . . . . . . . . . . . . . . . . . . . . . . . . . . . . . . . . . . . . . . . . . 9-4
9-3 Tilt Cylinder . . . . . . . . . . . . . . . . . . . . . . . . . . . . . . . . . . . . . . . . . . . . . . . . . . . . . . . . . . . . . . . . . 9-6
9-4 Tilt Compensation Cylinder . . . . . . . . . . . . . . . . . . . . . . . . . . . . . . . . . . . . . . . . . . . . . . . . . . . . . 9-8
9-5 Fork Locking Cylinder . . . . . . . . . . . . . . . . . . . . . . . . . . . . . . . . . . . . . . . . . . . . . . . . . . . . . . . . . . 9-10
9-6 Fork Side Shift Cylinder . . . . . . . . . . . . . . . . . . . . . . . . . . . . . . . . . . . . . . . . . . . . . . . . . . . . . . . . 9-12
9-7 Fork Side Tilt Cylinder . . . . . . . . . . . . . . . . . . . . . . . . . . . . . . . . . . . . . . . . . . . . . . . . . . . . . . . . . 9-14
9-8 Main Control Valve . . . . . . . . . . . . . . . . . . . . . . . . . . . . . . . . . . . . . . . . . . . . . . . . . . . . . . . . . . . . 9-16
9-9 Service Brake Valve . . . . . . . . . . . . . . . . . . . . . . . . . . . . . . . . . . . . . . . . . . . . . . . . . . . . . . . . . . . 9-20
9-10 Boom Auxiliary Diverter Valves . . . . . . . . . . . . . . . . . . . . . . . . . . . . . . . . . . . . . . . . . . . . . . . . . . 9-22
9-11 Rear Electric Auxiliary Diverter Valve . . . . . . . . . . . . . . . . . . . . . . . . . . . . . . . . . . . . . . . . . . . . . . 9-24
9-12 Brake Valves . . . . . . . . . . . . . . . . . . . . . . . . . . . . . . . . . . . . . . . . . . . . . . . . . . . . . . . . . . . . . . . . 9-26
9-13 Steering Select Valve . . . . . . . . . . . . . . . . . . . . . . . . . . . . . . . . . . . . . . . . . . . . . . . . . . . . . . . . . . 9-28
9-14 Hydrostatic Transmission . . . . . . . . . . . . . . . . . . . . . . . . . . . . . . . . . . . . . . . . . . . . . . . . . . . . . . . 9-30
9-15 Hydraulic Drive Motor . . . . . . . . . . . . . . . . . . . . . . . . . . . . . . . . . . . . . . . . . . . . . . . . . . . . . . . . . . 9-32
9-16 Piston Pump & Gear Pump . . . . . . . . . . . . . . . . . . . . . . . . . . . . . . . . . . . . . . . . . . . . . . . . . . . . . 9-34
9-17 Hydraulic Tank . . . . . . . . . . . . . . . . . . . . . . . . . . . . . . . . . . . . . . . . . . . . . . . . . . . . . . . . . . . . . . . 9-36
SECTION 10 –
ELECTRICAL . . . . . . . . . . . . . . . . . . . . . . . . . . . . . . . . . . . . . . . . . . . . . . . . . . . . . . . . . . . . . . 10-1
10-1 Engine Electrical Installation . . . . . . . . . . . . . . . . . . . . . . . . . . . . . . . . . . . . . . . . . . . . . . . . . . . . 10-2
10-2 Cab Electrical Installation . . . . . . . . . . . . . . . . . . . . . . . . . . . . . . . . . . . . . . . . . . . . . . . . . . . . . . . 10-4
10-3 Boom & Frame Electrical Installation . . . . . . . . . . . . . . . . . . . . . . . . . . . . . . . . . . . . . . . . . . . . . . 10-8
10-4 Cab Switches . . . . . . . . . . . . . . . . . . . . . . . . . . . . . . . . . . . . . . . . . . . . . . . . . . . . . . . . . . . . . . . . 10-12
10-5 Work Light Installations . . . . . . . . . . . . . . . . . . . . . . . . . . . . . . . . . . . . . . . . . . . . . . . . . . . . . . . . 10-16
10-6 Driving Light Installations & License Plate Light Installation . . . . . . . . . . . . . . . . . . . . . . . . . . . . 10-18
10-7 Engine Harness . . . . . . . . . . . . . . . . . . . . . . . . . . . . . . . . . . . . . . . . . . . . . . . . . . . . . . . . . . . . . . 10-22
10-8 Power/Ground Harness . . . . . . . . . . . . . . . . . . . . . . . . . . . . . . . . . . . . . . . . . . . . . . . . . . . . . . . . 10-24
10-9 Cab Main Harness . . . . . . . . . . . . . . . . . . . . . . . . . . . . . . . . . . . . . . . . . . . . . . . . . . . . . . . . . . . . 10-26
31200566 L2906H, 2906H, 3507H, 619A, 723A, 29.6LP, 29.6, 35.7 v
Page 8
TABLE OF CONTENTS
FIGURE NO. TITLE PAGE NO.
10-10 Cab Roof Harness . . . . . . . . . . . . . . . . . . . . . . . . . . . . . . . . . . . . . . . . . . . . . . . . . . . . . . . . . . . . 10-34
10-11 Boom Auxiliary Electric Harness . . . . . . . . . . . . . . . . . . . . . . . . . . . . . . . . . . . . . . . . . . . . . . . . . 10-36
10-12 Boom Light Harness . . . . . . . . . . . . . . . . . . . . . . . . . . . . . . . . . . . . . . . . . . . . . . . . . . . . . . . . . . . 10-38
10-13 Front Frame Harness . . . . . . . . . . . . . . . . . . . . . . . . . . . . . . . . . . . . . . . . . . . . . . . . . . . . . . . . . . 10-40
10-14 Rear Frame Harness . . . . . . . . . . . . . . . . . . . . . . . . . . . . . . . . . . . . . . . . . . . . . . . . . . . . . . . . . . 10-42
10-15 Light Shifter Harness . . . . . . . . . . . . . . . . . . . . . . . . . . . . . . . . . . . . . . . . . . . . . . . . . . . . . . . . . . 10-46
10-16 Oil Temperature Harness . . . . . . . . . . . . . . . . . . . . . . . . . . . . . . . . . . . . . . . . . . . . . . . . . . . . . . . 10-48
10-17 Seat Switch Wire . . . . . . . . . . . . . . . . . . . . . . . . . . . . . . . . . . . . . . . . . . . . . . . . . . . . . . . . . . . . . 10-50
SECTION 11 –
DECALS . . . . . . . . . . . . . . . . . . . . . . . . . . . . . . . . . . . . . . . . . . . . . . . . . . . . . . . . . . . . . . . . . . . 11-1
11-1 Decals & Load Charts . . . . . . . . . . . . . . . . . . . . . . . . . . . . . . . . . . . . . . . . . . . . . . . . . . . . . . . . . 11-2
SECTION 12 –
RECOMMENDED SPARE PARTS . . . . . . . . . . . . . . . . . . . . . . . . . . . . . . . . . . . . . . . . . . . . . . 12-1
SECTION 13 – PART NUMBER INDEX . . . . . . . . . . . . . . . . . . . . . . . . . . . . . . . . . . . . . . . . . . . . . 13-1
L2906H, 2906H, 3507H, 619A, 723A, 29.6LP, 29.6, 35.7 31200566vi
Page 9
SECTION 1
FRAME & ATTACHING PARTS
31200566 L2906H, 2906H, 3507H, 619A, 723A, 29.6LP, 29.6, 35.7
Page 10
FRAME & ATTACHING PARTS
L2906H & 29.6LP
ITALIAN
LH MIRROR OPTION
NOTE: L2906H, 2906H, 619A, 29.6LP & 29.6 FRAME SHOWN FOR ILLUSTRATION PURPOSE.
L2906H, 2906H, 3507H, 29.6LP & 35.7
619A & 723A
619A & 723 A

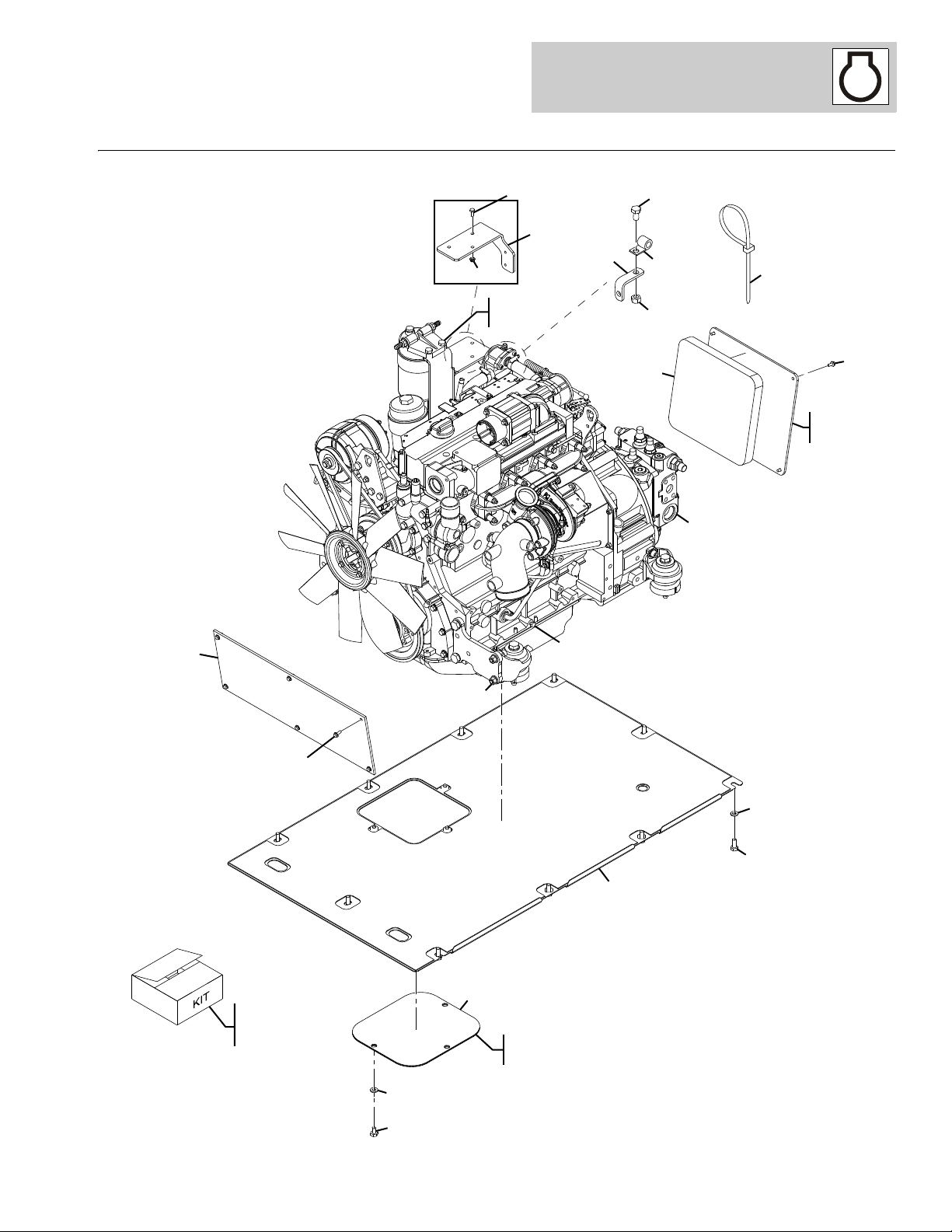
Figure 1-1 Frame Shrouding & Trim

L2906H, 2906H, 3507H, 619A, 723A, 29.6LP, 29.6, 35.7 312005661-2
Page 11
PAP4800
304
303
304
307
306
305
301 302
301 302
303
305
3507H
L2906H & 2906H
FRAME & ATTACHING PARTS
Figure 1-1 Frame Shrouding & Trim (Continued)
31200566 L2906H, 2906H, 3507H, 619A, 723A, 29.6LP, 29.6, 35.7 1-3
Page 12
FRAME & ATTACHING PARTS
Figure 1-1 Frame Shrouding & Trim
Item Part Number Qty. Description Rev.
1 1001095650 AR
LOCTITE® 243 2 Ref METRIC BOLT, (see Figure 4-3 for details) 4 Ref HEX HD CAPSCREW, M4X20, GR8.8, (see Figure 4-3 for details) 5 Ref HEX HD CAPSCREW, M6X16, GR8.8, (see Figure 4-3 for details) 8 Ref HEX HD CAPSCREW, M8X20, GR8.8, (see Figure 4-3 for details) 9 0761007 10 HEX HD CAPSCREW, M10X14, GR8.8, (L2906H, 2906H, 619A,
29.6LP & 29.6)
0761007 9 HEX HD CAPSCREW, M10X14, GR8.8, (3507H, 723A & 35.7)
10 Ref HEX HD CAPSCREW, M12X30, GR8.8, (see Figure 4-3 for details) 12 Ref FUEL CAP, (see Figure 4-3 for details) 17 2171948 2 PLUG 18 Ref FUEL LEVEL GAUGE, (see Figure 4-3 for details) 20 Ref FUEL VENT HOSE, (see Figure 4-3 for details) 21 Ref HEX LOCKNUT, M4X0.7, (see Figure 4-3 for details) 22 3 HEX LOCKNUT, M8X1.25, (see Figure 4-3 for details) 23 3380577 1 FUEL TANK COVER PANEL 27 3960589 1 FUEL TANK COVER SEAL 28 1 SEAL, (see Figure 4-3 for details) 29 Ref FUEL FILL SUPPORT, (see Figure 4-3 for details) 30 Ref FUEL LINE PIPE MOUNTING HARDWARE, (see Figure 4-3 for details) 31 4812000 13 WASHER, 10mm, (L2906H, 2906H, 3507H, 29.6LP, 29.6 & 35.7)
4812000 17 WASHER, 10mm, (619A & 723A)
33 Ref LOCKWASHER, 6mm, (see Figure 4-3 for details) 37 Ref FUEL LINE PIPE, (see Figure 4-3 for details) 38 1001103033 1 MOTOR ACCESS COVER, (L2906H, 2906H, 619A, 29.6LP & 29.6)
1001099531 1 MOTOR ACCESS COVER, (3507H, 723A & 35.7)
39 1001103089 1 COVER, (2906H & 619A)
1001103480 1 COVER, (3507H & 723A)
1001103481 1 COVER, (L2906H) 1001103481B 1 COVER, (29.6LP) 1001103089B 1 COVER, (29.6) 1001103480B 1 COVER, (35.7)
45 Ref HOSE CLAMP, (see Figure 4-3 for details) 51 1001113439 1 BRACKET, STRAP 52 4811700 2 WASHER, 6mm 53 0761006 3 HEX HD CAPSCREW, M10x12, GR8.8
101 0701016 4 HEX HD CAPSCREW, M10X40, GR8.8 106 80363195 1 MIRROR, (619A & 723A)
1001005981 1 MIRROR, (L2906H, 29.6LP, 2906H, 29.6, 3507H & 35.7),
(Before S/N 1160006787)
107 1001004242 1 MIRROR, (L2906H, 29.6LP, 2906H, 29.6, 3507H & 35.7),
(Before S/N 1160006787)
108 3291001 4 HEX NUT, M10X1.5, (619A & 723A)
Ref HEX NUT, M10X1.5, (L2906H, 2906H, 3507H, 29.6LP, 29.6 & 35.7),
(see Figure 10-6 for details)
109 3292001 2 HEX NUT, M20X2.5, (619A & 723A)
3292001 2 HEX NUT, M20X2.5, (L2906H, 29.6LP, 2906H, 29.6, 3507H & 35.7),
(Before S/N 1160006787)
112 4806693 1 ROD, (619A & 723A)
TM
L2906H, 2906H, 3507H, 619A, 723A, 29.6LP, 29.6, 35.7 312005661-4
Page 13
FRAME & ATTACHING PARTS
Figure 1-1 Frame Shrouding & Trim (Continued)
Item Part Number Qty. Description Rev.
4806693 1 ROD, (L2906H, 29.6LP, 2906H, 29.6, 3507H & 35.7), (Before S/N 1160006787)
115 4812500 2 WASHER, 20mm, (619A & 723A)
4812500 2 WASHER, 20mm, (L2906H, 29.6LP, 2906H, 29.6, 3507H & 35.7),
(Before S/N 1160006787)
125 1001099899 1 RH HEADLIGHT BRACKET, (619A & 723A)
1001099899 1 RH HEADLIGHT BRACKET, (L2906H, 29.6LP, 2906H, 29.6, 3507H & 35.7),
(Before S/N 1160006787)
1001147929 1 RH HEADLIGHT BRACKET, (L2906H, 29.6LP, 2906H, 29.6, 3507H & 35.7),
(S/N 1160006787 & After)
159 0700614 2 HEX HD CAPSCREW, M6X30, GR8.8, (L2906H, 2906H, 619A, 29.6LP & 29.6) 161 1001111900 1 ROD, (L2906H, 2906H, 619A, 29.6LP & 29.6) 167 4811700 2 WASHER, 6mm, (L2906H, 2906H, 619A, 29.6LP & 29.6) 173 1001111129 1 MIRROR, (L2906H, 2906H, 619A, 29.6LP & 29.6)
1001105985 Ref REAR ACCESS PANEL INSTALLATION, (L2906H, 2906H, 3507H, 29.6LP,
29.6 & 35.7), (not available to order, see items 201 thru 203 for service)
1001106454 Ref REAR ACCESS PANEL INSTALLATION, (619A & 723A), (not available to order,
see items 201 thru 203 for service) 201 0700812 4 HEX HD CAPSCREW, M8X25, GR8.8 202 4811900 4 WASHER, 8mm 203 1001105986 1 PLATE, (L2906H, 2906H & 3507H)
1001106453 1 PLATE, (619A & 723A)
1001105986B 1 PLATE, (L29.6, 29.6 & 35.7)
1001115279 Ref WHEEL CHOCK INSTALLATION, (3507H & 35.7 - if equipped), (Germany)
(not available to order, see items 301 thru 305 for service)
1001115278 Ref WHEEL CHOCK INSTALLATION, (L2906H, 2906H, 29.6LP & 29.6 -
if equipped), (Germany), (not available to order, see items 301 thru 307 for
service) 301 1001095650 AR
LOCTITE® 243
TM
302 0760806 4 HEX HD CAPSCREW, M8X12, GR8.8, (L2906H, 2906H, 29.6LP & 29.6)
0760808 4 HEX HD CAPSCREW, M8X16, GR8.8, (3507H & 35.7)
303 806253 1 WEDGE 304 806264 1 WEDGE HOLDER 305 4811900 4 WASHER, 8mm 306 3576164 1 PLATE, (L2906H, 2906H, 29.6LP & 29.6) 307 0760812 2 HEX HD CAPSCREW, M8X25, GR8.8, (L2906H, 2906H, 29.6LP & 29.6)
C
A
A
A
0274535 Ref CYLINDER LIFT PROP INSTALLATION, (2906H, 3507H, 29.6 & 35.7), (619A &
B
723A - if equipped), (not available to order, see items 401 thru 404 for service)
0274850 Ref CYLINDER LIFT PROP INSTALLATION, (L2906H & 29.6LP), (not available to
A
order, see items 401 thru 404 for service) 401 443630 2 WING SCREW, M12X30 402 909304 0.64m TRIM 403 1271599 1 LIFT CYLINDER LOCK WELDMENT 404 1784861 2 O-RING 501 Ref CAB, (see Figure 6-1 for details) 502 Ref HYDRAULIC SIGHT GAUGE, (not shown), (see Figure 9-17 for details) 503 Ref DRIVING LIGHT INSTALLATION, (see Figure 10-6 for details)
31200566 L2906H, 2906H, 3507H, 619A, 723A, 29.6LP, 29.6, 35.7 1-5
Page 14
FRAME & ATTACHING PARTS
Figure 1-1 Frame Shrouding & Trim (Continued)
Item Part Number Qty. Description Rev.
0275752 Ref MIRROR INSTALLATION, (L2906H & 29.6LP - if equipped), (Italy)
(not available to order, see items 601 thru 604 for service) 601 0903629 1 BRACKET 602 3292001 2 HEX NUT, M20X2.5 603 4812500 2 WASHER, 20mm 604 3140007 2 MIRROR
A
1001148083 1 RH MIRROR INSTALLATION, (L2906H, 2906H, 3507H, 29.6LP, 29.6 & 35.7),
(S/N 1160006787 & After), (includes items 701 thru 706 ) 701 0760810 2 HEX HD CAPSCREW, M8X20, GR8.8 702 4811900 2 WASHER, 8mm 703 1001008436 1 MIRROR ASSEMBLY 704 1001142726 1 REAR VIEW MIRROR 705 1001143339 1 CONVEX MIRROR 706 1001148082 1 MIRROR SUPPORT BRACKET
A
L2906H, 2906H, 3507H, 619A, 723A, 29.6LP, 29.6, 35.7 312005661-6
Page 15
FRAME & ATTACHING PARTS
Figure 1-1 Frame Shrouding & Trim (Continued)
Item Part Number Qty. Description Rev.
31200566 L2906H, 2906H, 3507H, 619A, 723A, 29.6LP, 29.6, 35.7 1-7
Page 16
FRAME & ATTACHING PARTS

Figure 1-2 Engine Cover Installation & Engine Pod Insulation

L2906H, 2906H, 3507H, 619A, 723A, 29.6LP, 29.6, 35.7 312005661-8
Page 17
FRAME & ATTACHING PARTS
Figure 1-2 Engine Cover Installation & Engine Pod Insulation
Item Part Number Qty. Description Rev.
1001099411 Ref ENGINE COVER INSTALLATION, (L2906H, 2906H & 3507H), (not available to
order, see items 1 thru 15 for service)
1001099412 Ref ENGINE COVER INSTALLATION, (619A & 723A), (not available to order, see
items 1 thru 15 for service)
1001109143 Ref ENGINE COVER INSTALLATION, (29.6LP, 29.6 & 35.7), (not available to order,
see items 1 thru 15 for service) 1 0760810 8 HEX HD CAPSCREW, M8X20, GR8.8 2 0761010 2 HEX HD CAPSCREW, M10X20, GR8.8 3 3290605 3 HEX LOCKNUT, M6X1 4 4806433 2 HOOD HINGE 5 4811700 3 WASHER, 6mm 6 4811900 8 WASHER, 8mm 7 4812000 2 WASHER, 10mm 8 5220800 2 RIPP NUT, 8mm 9 8000382 1 HOOD LATCH
10 8000801 1 HOOD LOCK 11 1001099412 1 HOOD ASSY, (L2906H, 2906H & 3507H), (includes items 101 thru 113) B
1001109144 1 HOOD ASSY, (619A & 723A), (includes items 101 thru 113) A 1001109145 1 HOOD ASSY, (29.6LP, 29.6 & 35.7), (includes items 101 thru 113) A
12 1001100859 1 BRACKET 13 1001097159 AR SEAL 14 4160213 Ref GAS SPRING, (no longer available, use 1001111440 for replacement)
1001111440 1 GAS SPRING
15 1001103369 AR SEAL RIBBED SECTION
101 1001105436 1 ENGINE HOOD, (L2906H, 2906H, 3507H, 619A & 723A)
1001109847 1 ENGINE HOOD, (29.6LP, 29.6 & 35.7)
103 1001106540 1 AIR FILTER SHEEVE 104 NSS 1 SUPPORT WELDMENT 105 1001109624 1 GRILL 106 4806444 1 PLATE 107 4300159 17 MOUNTING STUDS 108 3575922 17 MOUNTING STUD PLATES 109 1321291 17 CAP 110 1001109266 1 SOUND INSULATION 111 1001109267 1 SOUND INSULATION 112 1001109269 1 SOUND INSULATION 113 1001109180 4 GRILL 246 1001109109 1 SOUND INSULATION, (L2906H, 2906H, 3507H, 29.6LP, 29.6 & 35.7) 247 1001109110 1 SOUND INSULATION, (L2906H, 2906H, 3507H, 29.6LP, 29.6 & 35.7) 248 1001109111 1 SOUND INSULATION, (L2906H, 2906H, 3507H, 29.6LP, 29.6 & 35.7) 249 1001109112 1 SOUND INSULATION, (L2906H, 2906H, 3507H, 29.6LP, 29.6 & 35.7) 250 1321291 11 CAP, (L2906H, 2906H, 3507H, 29.6LP, 29.6 & 35.7)
D
C
C
31200566 L2906H, 2906H, 3507H, 619A, 723A, 29.6LP, 29.6, 35.7 1-9
Page 18
FRAME & ATTACHING PARTS
PAP4660
10
6
5
2
7
9
1
3
8
4
11
102 106
118
201
202
203
101 108
123
104
101 105
115
102 107 124
113
119
120
102 103
102 103
301
117
NOTE: PORTIONS OF THE FRAME REMOVED FOR CLARITY.

Figure 1-3 Axle & Fender Installation

L2906H, 2906H, 3507H, 619A, 723A, 29.6LP, 29.6, 35.7 312005661-10
Page 19
FRAME & ATTACHING PARTS
Figure 1-3 Axle & Fender Installation
Item Part Number Qty. Description Rev.
0273811 Ref FENDER INSTALLATION, (2906H & 29.6), (not available to order, see items 1
thru 11 for service)
0274812 Ref FENDER INSTALLATION, (L2906H & 29.6LP), (619A - if equipped), (not
available to order, see items 1 thru 11 for service)
0273812 Ref FENDER INSTALLATION, (3507H & 35.7), (723A - if equipped), (not available
to order, see items 1 thru 11 for service) 1 328027 4 MUSHROOM HD BOLT, 8-1.25X20, (2906H, 3507H, 723A, 29.6 & 35.7)
328027 8 MUSHROOM HD BOLT, 8-1.25X20, (L2906H, 619A & 29.6LP)
2 0701018 16 HEX HD CAPSCREW, M10X50, GR8.8 3 0761617 16 HEX HD CAPSCREW, M16X45, GR8.8 4 1001096569 4 FENDER, (L2906H, 619A & 29.6LP)
1001096127 4 FENDER, (2906H & 29.6) 1001096345 4 FENDER, (3507H, 723A & 35.7)
5 4340882 4 FENDER SUPPORT, (L2906H, 2906H, 619A, 29.6LP & 29.6)
4340883 4 FENDER SUPPORT, (3507H, 723A & 35.7)
6 1001098263 4 SUPPORT PLATE, (L2906H, 619A & 29.6LP)
8010524 4 SUPPORT PLATE, (2906H & 29.6) 3575386 4 SUPPORT PLATE, (3507H, 723A & 35.7)
7 4812000 16 WASHER, 10mm 8 4812300 16 WASHER, 16mm 9 5220800 8 RIPP NUT, 8mm, (L2906H, 619A & 29.6LP)
5220800 4 RIPP NUT, 8mm, (2906H, 3507H, 723A, 29.6 & 35.7)
10 8006580 8 PLUG 11 5221000 16 RIPP NUT, 10mm
F
B
F
1001100339 Ref DRIVE TRAIN INSTALLATION, (L2906H, 2906H, 619A, 29.6LP & 29.6),
(not available to order, see items 101 thru 124 for service)
1001100340 Ref DRIVE TRAIN INSTALLATION, (3507H, 723A & 35.7), (not available to order,
see items 101 thru 124 for service)
101 1001095650 AR
102 0100019 AR
LOCTITE® 243
LOCTITE® 271
TM
TM
103 0712028 6 HEX HD CAPSCREW, M20X110, GR10.9 104 Ref FRONT DRIVE MOTOR HYDRAULIC COMPONENTS
Ref DRIVE MOTOR HYDRAULIC SUPPLY, (see Figure 8-1 for details) Ref DRIVE MOTOR HYDRAULIC RETURN, (see Figure 8-2 for details)
105 0711215 4 HEX HD CAPSCREW, M12X35, GR10.9 106 0712040 8 HEX HD CAPSCREW, M20X230, GR10.9, (L2906H, 2906H, 619A, 29.6LP &
29.6)
0712445 8 HEX HD CAPSCREW, M24X280, GR10.9, (3507H, 723A & 35.7)
107 0761617 4 HEX HD CAPSCREW, M16X45, GR8.8, (L2906H, 2906H, 619A, 29.6LP &
29.6)
0701619 4 HEX HD CAPSCREW, M16X55, GR8.8, (3507H, 723A & 35.7)
108 0771212 4 HEX HD CAPSCREW, M12X25, GR10.9 113 Ref HYDRAULIC DRIVE MOTOR, (see Figure 9-15 for details) 115 3291201 4 HEX NUT, M12X1.75 117 3332011 8 HEX NUT, M20X2.5, (L2906H, 2906H, 619A, 29.6LP & 29.6)
3332411 8 HEX NUT, M24X3, (3507H, 723A & 35.7)
118 3574829 2 AXLE PLATE, (L2906H, 2906H, 619A, 29.6LP & 29.6)
3575706 2 AXLE PLATE, (3507H, 723A & 35.7)
119 Ref FRONT AXLE, (see Figure 5-1 for details)
F
G
31200566 L2906H, 2906H, 3507H, 619A, 723A, 29.6LP, 29.6, 35.7 1-11
Page 20
FRAME & ATTACHING PARTS
Figure 1-3 Axle & Fender Installation (Continued)
Item Part Number Qty. Description Rev.
120 Ref REAR AXLE, (see Figure 5-11 for details) 123 Ref DRIVE SHAFT ASSY, (see Figure 5-18 for details) 124 4812300 4 WASHER, 16mm
1001108610 1 CAB FENDER INSTALLATION, (619A & 723A), (if equipped),
(not available to order, see items 201 thru 203 for service) 201 0761010 3 HEX HD CAPSCREW, M10X20, GR8.8 202 4832000 3 LOCKWASHER, 10mm 203 1001100836 1 CAB FENDER 301 1001112161 AR AXLE SHIM PLATE, (if equipped)
A
L2906H, 2906H, 3507H, 619A, 723A, 29.6LP, 29.6, 35.7 312005661-12
Page 21
FRAME & ATTACHING PARTS
Figure 1-3 Axle & Fender Installation (Continued)
Item Part Number Qty. Description Rev.
31200566 L2906H, 2906H, 3507H, 619A, 723A, 29.6LP, 29.6, 35.7 1-13
Page 22
FRAME & ATTACHING PARTS
PZ2690
4
5
3
2
1

Figure 1-4 Draw Bar Coupling

L2906H, 2906H, 3507H, 619A, 723A, 29.6LP, 29.6, 35.7 312005661-14
Page 23
FRAME & ATTACHING PARTS
Figure 1-4 Draw Bar Coupling
Item Part Number Qty. Description Rev.
4805932 1 DRAW BAR COUPLING, (L2906H, 2906H, 3507H, 29.6LP, 29.6 & 35.7),
(if equipped), (includes items 1 thru 5)
1 4804533 1 HITCH 2 3944574 1 PIN 3 0771619 2 HEX HD CAPSCREW, M16X55, GR10.9 4 4805921 2 HEX NUT, M16X2 5 4812300 2 WASHER, 16mm
B
31200566 L2906H, 2906H, 3507H, 619A, 723A, 29.6LP, 29.6, 35.7 1-15
Page 24
FRAME & ATTACHING PARTS
6
1 7
3
3
2
4
202
5 101 102
201
PZ3720
301
4
202
CUNA D2
CUNA C

Figure 1-5 Pin Hitch - Cuna C & Cuna D2

L2906H, 2906H, 3507H, 619A, 723A, 29.6LP, 29.6, 35.7 312005661-16
Page 25
FRAME & ATTACHING PARTS
Figure 1-5 Pin Hitch - Cuna C & Cuna D2
Item Part Number Qty. Description Rev.
1001113662 Ref CUNA C PIN HITCH INSTALLATION, (if equipped), (not available to order, see
items 1 thru 7 for service)
1001113663 Ref CUNA D2 PIN HITCH INSTALLATION, (if equipped), (not available to order, see
items 1 thru 7 for service) 1 0701619 10 HEX HD CAPSCREW, M16X55, GR8.8, (torque to 180-230 Nm) 2 3291601 10 HEX NUT, M16X2 3 4812300 20 WASHER, 16mm 4 1001098631 1 PIN HITCH ASSY, (CUNA C), (includes items 201 & 202) A
1001098632 1 PIN HITCH ASSY, (CUNA D2), (includes items 201 & 202) A
5 1001098636 1 PLATE ADAPTER, (includes items 101 & 102) 6 1001103597 1 HITCH FRAME 7 1001095650 AR
LOCTITE® 243
TM
101 70022823 1 PIVOT PIN 102 70022827 1 LEVER OPENING KIT 201 70022818 1 PIN, (CUNA C)
70022820 1 PIN, (CUNA D2)
202 70022819 1 MOUNTING HARDWARE KIT 301 Ref TRAILER PLUG KIT, (see Figure 10-3 for details)
A
A
31200566 L2906H, 2906H, 3507H, 619A, 723A, 29.6LP, 29.6, 35.7 1-17
Page 26
FRAME & ATTACHING PARTS
PAP4580
2
3
3
1 6
1 2 3 6
5
5
4
4
4 101 103 106
101
102
103
104
105
101
105
103
301
201 401
EEC MANUAL
EEC AUTO PITON-FRAME
EEC AUTO

Figure 1-6 EEC Auto, EEC Manual & EEC Auto Piton-Frame Swivel Hitch

L2906H, 2906H, 3507H, 619A, 723A, 29.6LP, 29.6, 35.7 312005661-18
Page 27
FRAME & ATTACHING PARTS
Figure 1-6 EEC Auto, EEC Manual & EEC Auto Piton-Frame Swivel Hitch
Item Part Number Qty. Description Rev.
1001113660 Ref EEC AUTO HITCH INSTALLATION, (if equipped), (not available to order, see
items 1 thru 6 for service)
1001113659 Ref EEC MANUAL HITCH INSTALLATION, (if equipped), (not available to order,
see items 1 thru 6 for service)
1001113665 Ref EEC AUTO PITON-FRAME SWIVEL HITCH INSTALLATION, (if equipped),
(not available to order, see items 1 thru 6 for service) 1 0701619 10 HEX HD CAPSCREW, M16X55, GR8.8 2 3291601 10 HEX NUT, M16X2 3 4812300 20 WASHER, 16mm 4 1001098629 1 HITCH ASSY, (EEC AUTO & EEC AUTO PITON-FRAME), (includes items
101 thru 105)
1001098630 1 HITCH ASSY, (EEC MANUAL), (includes items 101, 103 & 105) A
5 1001103597 1 HITCH FRAME, (EEC AUTO & EEC MANUAL)
1001104302 1 HITCH FRAME, (EEC AUTO PITON-FRAME), (includes item 301)
6 1001095650 AR
LOCTITE® 243
TM
101 70022821 1 LEVER OPENING KIT 102 70022822 1 BOX MECHANISM 103 70022823 1 PIVOT PIN 104 70022824 1 BUSHING, (includes snap ring) 105 70022825 1 PIN, (EEC AUTO & EEC AUTO PITON-FRAME) 106 70022826 1 PIN, (EEC MANUAL) 201 Ref TRAILER PLUG KIT, (see Figure 10-3 for details) 301 70023348 1 KEEPER KIT, (includes keeper, screw, nut, pin & ring pin) 401 Ref TRAILER ELECTRICAL SOCKET, (see Figure 10-3 for details)
A
A
A
A
31200566 L2906H, 2906H, 3507H, 619A, 723A, 29.6LP, 29.6, 35.7 1-19
Page 28
FRAME & ATTACHING PARTS
PAP25000
15
1 7
14
3
6
2 8 5
17
13
2 17
8
4 9
12
4
10
11
10 11
9
12
16
101
102
105
104
107
108
106
109
108
107
103
110
111
18
19
21
20
22
23
24

Figure 1-7 Hydraulic Hitch

L2906H, 2906H, 3507H, 619A, 723A, 29.6LP, 29.6, 35.7 312005661-20
Page 29
FRAME & ATTACHING PARTS
Figure 1-7 Hydraulic Hitch
Item Part Number Qty. Description Rev.
1001113777 Ref HYDRAULIC HITCH INSTALLATION WITHOUT MIRROR, (if equipped),
(not available to order, see items 2 thru 13 & 16 thru 24 for service)
1001113661 Ref HYDRAULIC HITCH INSTALLATION WITH MIRROR, (3507H, 619A, 723A &
35.7 - if equipped), (not available to order, see items 1 thru 24 for service)
1 0700614 2 HEX HD CAPSCREW, M6X30, GR8.8, (3507H & 35.7 - if equipped) 2 0701619 10 HEX HD CAPSCREW, M16X55, GR8.8 3 935113 1 RUBBER COVER 4 2142505 2 CAP 5 3291601 10 HEX NUT, M16X2 6 3890066 1 HYDRAULIC HITCH LOCK CABLE 7 4811700 8 WASHER, 6mm, (3507H, 619A, 723A & 35.7 - if equipped)
4811700 6 WASHER, 6mm, (2906H & L2906H - if equipped)
8 4812300 20 WASHER, 16mm 9 1001093826 2 DUST CAP
10 1001093827 2 DUST PLUG 11 1001094555 2 FEMALE QUICK DISCONNECT COUPLING 12 1001094556 2 MALE QUICK DISCONNECT COUPLING 13 1001103014 1 HYDRAULIC HITCH ASSY, (Before S/N 1160005189), (includes items
101 thru 111)
1001118096 1 HYDRAULIC HITCH ASSY, (S/N 1160005189 & After) A 14 1001111129 1 MIRROR, (3507H & 35.7 - if equipped) 15 1001111900 1 MIRROR SUPPORT, (3507H & 35.7 - if equipped) 16 1001113764 2 HOSE ASSY 17 1001095650 AR
LOCTITE® 243
TM
18 0760610 3 HEX HD CAPSCREW, M6X20, GR8.8 19 2920204 2 LICENSE PLATE LIGHT 20 3290605 3 HEX LOCKNUT, M6X1 21 5220500 4 NUT, 5mm 22 1001136873 1 LICENSE PLATE BRACKET, LH 23 1001137976 1 LICENSE PLATE LIGHT HARNESS 24 471678 8 BAND CLAMP, 4.8X204mm
101 70022752 1 SLIDER 102 70022753 1 HOOK 103 70022754 1 CYLINDER PIN 104 70022755 1 HOOK PIN 105 70022756 1 CENTRAL PIN 106 70022757 1 LINK SYSTEM 107 70022758 2 LINK PLATE 108 70022759 2 LINK PIN 109 70022760 2 SPRING 110 70022761 1 CYLINDER 111 70022762 1 CYLINDER PIN
C
C
C
31200566 L2906H, 2906H, 3507H, 619A, 723A, 29.6LP, 29.6, 35.7 1-21
Page 30
FRAME & ATTACHING PARTS
PAP4610
8
6
2 5
3
4
4
1 7

Figure 1-8 Pintle Hitch

L2906H, 2906H, 3507H, 619A, 723A, 29.6LP, 29.6, 35.7 312005661-22
Page 31
FRAME & ATTACHING PARTS
Figure 1-8 Pintle Hitch
Item Part Number Qty. Description Rev.
1001114477 1 PINTLE HITCH INSTALLATION, (includes all items) A
1 0701619 8 HEX HD CAPSCREW, M16X55, GR8.8 2 2620060 1 PINTLE HOOK 3 3291601 8 HEX NUT, M16X2 4 4812300 16 WASHER, 16mm 5 1001092144 1 ADAPTER WELDMENT HITCH 6 1001093306 2 PIN, HITCH MOUNTING 7 1001095650 AR
LOCTITE® 243
8 1001114476 1 HITCH MOUNTING BRACKET
TM
31200566 L2906H, 2906H, 3507H, 619A, 723A, 29.6LP, 29.6, 35.7 1-23
Page 32
FRAME & ATTACHING PARTS
This Page Intentionally Left Blank
L2906H, 2906H, 3507H, 619A, 723A, 29.6LP, 29.6, 35.7 312005661-24
Page 33
SECTION 2
BOOM
31200566 L2906H, 2906H, 3507H, 619A, 723A, 29.6LP, 29.6, 35.7
Page 34
BOOM
17
16
11 19
13
18
19 24
17
14
17
1 19
15
17
124
134
101 111
126
125
132
101 111
241
226
227
242
242
237
207
255
232
254
206
274
236
240
240
239
234
239
301
302
303
304
12
241
20
23
10 19
11
16
17
19 24
PAP4460
NOTE: PORTIONS OF THE FRAME & BOOM REMOVED FOR CLARITY.
3507H, 723A & 35.7

Figure 2-1 Boom Installation

L2906H, 2906H, 3507H, 619A, 723A, 29.6LP, 29.6, 35.7 312005662-2
Page 35
BOOM
Figure 2-1 Boom Installation
Item Part Number Qty. Description Rev.
1001098696 Ref BOOM INSTALLATION, (2906H, 619A & 29.6), (not available to order,
see items 1 thru 27)
1001098988 Ref BOOM INSTALLATION, (3507H, 723A & 35.7), (not available to order, see items
1 thru 27)
1001120764 1 BOOM INSTALLATION, (L2906H & 29.6LP), (includes items 1 thru 28)
1 0701215 1 HEX HD CAPSCREW, M12X35, GR8.8, (torque to 97 Nm / 72 lb-ft)
10 1001110922 2 HEX HD CAPSCREW, M16X40, GR10.9, (torque to 241 Nm / 178 lb-ft))
0761215 2 HEX HD CAPSCREW, M12X35, GR8.8, (3507H, 723A & 35.7),
(torque to 97 Nm / 72 lb-ft)
11 0701217 1 HEX HD CAPSCREW, M12X45, GR8.8, (2906H, 619A & 29.6),
(torque to 97 Nm / 72 lb-ft)
0701217 2 HEX HD CAPSCREW, M12X45, GR8.8, (L2906H & 29.6LP),
(torque to 97 Nm / 72 lb-ft)
0761215 1 HEX HD CAPSCREW, M12X35, GR8.8, (3507H, 723A & 35.7),
(torque to 97 Nm / 72 lb-ft)
12 1001103083 1 PIVOT PIN, (L2906H, 2906H, 619A, 29.6LP & 29.6)
1001103087 1 PIVOT PIN, (3507H, 723A & 35.7)
13 1001131873 1 PIN 14 1001131874 1 PIN 15 1001109056 Ref PIN, (no longer available, use 1001131867 for replacement), (L2906H, 2906H,
619A, 29.6LP & 29.6)
1001109061 Ref PIN, (no longer available, use 1001131868 for replacement), (3507H, 723A &
35.7)
1001131867 1 PIN, (L2906H, 2906H, 619A, 29.6LP & 29.6)
1001131868 1 PIN, (3507H, 723A & 35.7) 16 1001109054 Ref PIN, (no longer available, use 1001131871 for replacement), (2906H, 619A &
29.6)
1001109047 Ref PIN, (no longer available, use 1001131872 for replacement), (3507H, 723A &
35.7)
1001131871 1 PIN, (2906H, 619A & 29.6)
1001131872 1 PIN, (3507H, 723A & 35.7)
1001120710 1 PIN, (L2906H & 29.6LP) 17 4812100 6 WASHER, 12mm, (2906H, 619A, 29.6, 3507H, 723A & 35.7)
4812100 7 WASHER, 12mm, (L2906H & 29.6LP)
18 3291205 2 HEX LOCKNUT, M12X1.75 19 1001095650 AR
LOCTITE® 243
TM
20 1001103085 1 PLATE 23 4812300 2 WASHER, 16mm 24 0701220 2 HEX HD CAPSCREW, M12X60, GR8.8, (torque to 97 Nm / 72 lb-ft) 25 1001117382 AR SHIM WASHER, 62X100X2, (not shown) 26 1001117383 AR SHIM WASHER, 62X100X0.5, (not shown) 27 1001120761 AR SHIM WASHER, 41X80X2, (L2906H, 2906H, 619A, 29.6LP & 29.6),
(not shown)
28 1001120711 1 PIN KEEPER PLATE, (not shown)
101 1001095650 AR
LOCTITE® 243
TM
111 0761214 3 HEX HD CAPSCREW, M12X30, GR8.8, (L2906H, 2906H, 619A, 29.6LP &
29.6)
0761215 3 HEX HD CAPSCREW, M12X35, GR8.8, (3507H, 723A & 35.7)
124 1001109071 1 PIN 125 1001109055 Ref PIN, (no longer available, use 1001131869 for replacement), (L2906H, 2906H,
619A, 29.6LP & 29.6)
K
J
31200566 L2906H, 2906H, 3507H, 619A, 723A, 29.6LP, 29.6, 35.7 2-3
Page 36
BOOM
Figure 2-1 Boom Installation (Continued)
Item Part Number Qty. Description Rev.
1001109072 Ref PIN, (no longer available, use 1001131870 for replacement), (3507H, 723A &
35.7)
1001131869 1 PIN, (L2906H, 2906H, 619A, 29.6LP & 29.6) 1001131870 1 PIN, (3507H, 723A & 35.7)
126 3575850 1 BAR 132 4812100 1 WASHER, 12mm 134 4832100 2 LOCKWASHER, 12mm 206 0701217 1 HEX HD CAPSCREW, M8X16, GR8.8 207 0760808 6 HEX HD CAPSCREW, M8X16, GR8.8 226 2160016 2 GREASE FITTING 227 2160018 1 GREASE FITTING 232 3291201 1 HEX NUT, M12X1.75 234 3423075 1 PIN, (L2906H, 2906H & 3507H)
1001109059 1 PIN, (29.6LP, 29.6, 35.7, 619A & 723A)
236 3423152 1 PIN, (L2906H & 2906H)
3423149 1 PIN, (3507H) 1001109058 1 PIN, (619A, 29.6LP & 29.6) 1001109074 1 PIN, (723A & 35.7)
237 3574798 1 FRONT COVER PLATE, (L2906H, 2906H, 3507H, 619A & 723A)
3574798B 1 FRONT COVER PLATE, (29.6LP, 29.6 & 35.7)
239 3760491 2 RETAINING RING 240 3760492 2 RETAINING RING 241 4100076 2 BUSHING 242 4100078 2 BUSHING 254 4812100 3 WASHER, 12mm 255 4831900 6 LOCKWASHER, 8mm 274 1001109057 Ref PIN, (619A, 29.6LP & 29.6), (no longer available, use 1001130575 for
replacement)
1001130575 1 PIN, (L2906, 2906, 619A, 29.6LP & 29.6) 1001109073 Ref PIN, (723A & 35.7), (no longer available, use 1001130572 for replacement) 1001130572 1 PIN, (723A, 3507 & 35.7)
301 Ref LIFT CYLINDER, (see Figure 9-1 for details) 302 Ref TILT CYLINDER, (see Figure 9-3 for details) 303 Ref TILT COMPENSATION CYLINDER, (see Figure 9-4 for details) 304 Ref EXTEND/RETRACT CYLINDER, (see Figure 9-2 for details)
L2906H, 2906H, 3507H, 619A, 723A, 29.6LP, 29.6, 35.7 312005662-4
Page 37
BOOM
Figure 2-1 Boom Installation (Continued)
Item Part Number Qty. Description Rev.
31200566 L2906H, 2906H, 3507H, 619A, 723A, 29.6LP, 29.6, 35.7 2-5
Page 38
BOOM
PZ2790
9
201
53
56
8 9
10 159 201
52 56
60 62 63 64
53
57
56
38
53
57
3 4 5 201
60 62 63 64
15
17
51
53
9
10 201
57
53
52 56
60 62 63 64
8 9
10 159 201
59
61 65 66
54
67
58
9
10 12 13 14 201

Figure 2-2 Boom Assembly - Pads & Shims

L2906H, 2906H, 3507H, 619A, 723A, 29.6LP, 29.6, 35.7 312005662-6
Page 39
BOOM
Figure 2-2 Boom Assembly - Pads & Shims
Item Part Number Qty. Description Rev.
3 0701016 AR HEX HD CAPSCREW, M10X40, GR8.8 4 0701017 AR HEX HD CAPSCREW, M10X45, GR8.8 5 0701018 AR HEX HD CAPSCREW, M10X50, GR8.8 8 0761008 AR HEX HD CAPSCREW, M10X16, GR8.8, (L2906H, 2906H, 619A, 29.6LP &
29.6)
9 0761010 AR HEX HD CAPSCREW, M10X20, GR8.8 10 0761012 AR HEX HD CAPSCREW, M10X25, GR8.8 12 0761210 AR HEX HD CAPSCREW, M12X20, GR8.8 13 0761212 AR HEX HD CAPSCREW, M12X25, GR8.8 14 0761214 AR HEX HD CAPSCREW, M12X30, GR8.8 15 1001111536 1 FIRST BOOM SECTION WELDMENT, (L2906H, 2906H & 619A),
(Before S/N 1160005870)
1001111536G 1 FIRST BOOM SECTION WELDMENT, (29.6LP & 29.6),
(Before S/N 1160005870)
1001098698 1 FIRST BOOM SECTION WELDMENT, (L2906H, 2906H, 619A 29.6LP & 29.6),
(S/N 1160005870 & After)
1001111583 1 FIRST BOOM SECTION WELDMENT, (3507H & 723A),
(Before S/N 1160005870)
1001111583G 1 FIRST BOOM SECTION WELDMENT, (35.7), (Before S/N 1160005870)
1001098986 1 FIRST BOOM SECTION WELDMENT, (3507H, 723A & 35.7),
(S/N 1160005870 & After)
17 1001111535 1 SECOND BOOM SECTION WELDMENT, (L2906H, 2906H & 619A),
(Before S/N 1160005870)
1001111535B 1 SECOND BOOM SECTION WELDMENT, (29.6LP & 29.6),
(Before S/N 1160005870)
1001099252 1 SECOND BOOM SECTION WELDMENT, (L2906H, 2906H, 619A 29.6LP &
29.6), (S/N 1160005870 & After)
1001111582 1 SECOND BOOM SECTION WELDMENT, (3507H & 723A),
(Before S/N 1160005870)
1001111582B 1 SECOND BOOM SECTION WELDMENT, (35.7), (Before S/N 1160005870)
1001099264 1 SECOND BOOM SECTION WELDMENT, (3507H, 723A & 35.7),
(S/N 1160005870 & After)
38 3574821 2 SPACER 51 4700026 1 WEAR PAD 52 4700027 8 WEAR PAD, (L2906H, 2906H, 619A, 29.6LP & 29.6) 53 4812000 28 WASHER, 10mm 54 4812100 4 WASHER, 12mm 56 8002200 4 WEAR PAD, (L2906H, 2906H, 619A, 29.6LP & 29.6)
8002200 12 WEAR PAD, (3507H, 723A & 35.7)
57 8002901 10 SPACER 58 8003242 2 SPACER 59 8008069 AR SHIM, 2.0X70X200mm 60 8008070 AR SHIM, 2.0X50X200mm 61 8008634 AR SHIM, 0.5X70X200mm 62 8008640 AR SHIM, 0.5X50X200mm 63 8008641 AR SHIM, 1.0X50X200mm 64 8008642 AR SHIM, 1.5X50X200mm 65 8008644 AR SHIM, 1.0X70X200mm 66 8008645 AR SHIM, 1.5X70X200mm 67 8002199 2 WEAR PAD
31200566 L2906H, 2906H, 3507H, 619A, 723A, 29.6LP, 29.6, 35.7 2-7
Page 40
BOOM
Figure 2-2 Boom Assembly - Pads & Shims (Continued)
Item Part Number Qty. Description Rev.
159 0761014 AR HEX HD CAPSCREW, M10X30, GR8.8, (3507H, 723A & 35.7) 201 1001095650 AR
LOCTITE® 243
TM
L2906H, 2906H, 3507H, 619A, 723A, 29.6LP, 29.6, 35.7 312005662-8
Page 41
BOOM
Figure 2-2 Boom Assembly - Pads & Shims (Continued)
Item Part Number Qty. Description Rev.
31200566 L2906H, 2906H, 3507H, 619A, 723A, 29.6LP, 29.6, 35.7 2-9
Page 42
BOOM
PAP16051
2
102
105
102
111
201
202
204
203
103
1
5
4 7
112
MANUAL QUICK ATTACH
HYDRAULIC QUICK ATTACH

Figure 2-3 Quick Attach

L2906H, 2906H, 3507H, 619A, 723A, 29.6LP, 29.6, 35.7 312005662-10
Page 43
BOOM
Figure 2-3 Quick Attach
Item Part Number Qty. Description Rev.
1001102310 1 MANUAL QUICK ATTACH, (includes items 1 thru 7), (if equipped) C
1 NSS 1 WELDMENT
2 8002027 1 ROD
4 0760605 1 HEX HD CAPSCREW, M6X10, GR8.8
5 1001161673 1 CHAIN
7 1001095650 AR
LOCTITE® 243
1001103641 1 HYDRAULIC QUICK ATTACH, (includes items 102 thru 112), (if equipped) G
102 0760808 6 HEX HD CAPSCREW, M8X16, GR8.8 103 NSS 1 WELDMENT 105 1001099431 1 COVER PLATE 111 1001100827 1 FORK LOCKING CYLINDER KIT, (includes items 201 thru 204) B 112 1001100900 1 STOP BLOCK 201 Ref FORK LOCKING CYLINDER, (see Figure 9-5 for details) 202 3391410 2 COTTER PIN 203 8001888 2 PIN 204 8002110 2 CLEVIS PIN
TM
31200566 L2906H, 2906H, 3507H, 619A, 723A, 29.6LP, 29.6, 35.7 2-11
Page 44
BOOM
4 101
115
110
110
113
113
102
114
114
106
109
107
108
107
108
107
108
107
108
105
106
102
110
111
111
110
112
6 7 8
5
1
6 7 8
PAP4441

Figure 2-4 JD Quick Attach

L2906H, 2906H, 3507H, 619A, 723A, 29.6LP, 29.6, 35.7 312005662-12
Page 45
BOOM
Figure 2-4 JD Quick Attach
Item Part Number Qty. Description Rev.
1001110008 Ref JD QUICK ATTACH INSTALLATION, (L2906H, 2906H, 3507H, 29.6LP, 29.6 &
35.7), (if equipped), (not available to order, see items 1 thru 8 for service)
1 2143511 2 ADAPTER
4 1001097350 1 JD QUICK ATTACH, (includes items 101 thru 115) C
5 1001110009 2 HOSE ASSY
6 0700817 1 HEX HD CAPSCREW, M8X45, GR8.8
7 1321321 1 CLAMP
8 874960 1 CLAMP GROUP 2D COVER PLATE
101 NSS 1 WELDMENT 102 1001104933 1 JD QUICK ATTACH CYLINDER
70022559 1 SEAL KIT 105 1001101425 1 COVER PLATE 106 1001101587 2 BOLT, M14X55 107 4811900 4 WASHER, 8mm 108 3290805 4 HEX HD CAPSCREW, M8X16, GR8.8 109 1001101356 1 COVER PLATE 110 1001101590 4 O-RING 111 1001097661 2 ADAPTER 112 1001097664 2 HOSE ASSY 113 1001097662 2 ADAPTER 114 1001097663 2 TEE FITTING 115 1001103533 1 CLAMP SET, (includes screw & plate) 201 Ref AUXILIARY HYDRAULICS, (see Figure 8-8 for details)
B
31200566 L2906H, 2906H, 3507H, 619A, 723A, 29.6LP, 29.6, 35.7 2-13
Page 46
BOOM
This Page Intentionally Left Blank
L2906H, 2906H, 3507H, 619A, 723A, 29.6LP, 29.6, 35.7 312005662-14
Page 47
SECTION 3
ATTACHMENTS
31200566 L2906H, 2906H, 3507H, 619A, 723A, 29.6LP, 29.6, 35.7
Page 48
ATTACHMENTS
PAP4490
2
1
3
4
5
6
401
301
302
304
303
7
101
103
102
104
105
106
201
206
202
203
204
205
502
501
504
503
506
505

Figure 3-1 Carriage Assembly

L2906H, 2906H, 3507H, 619A, 723A, 29.6LP, 29.6, 35.7 312005663-2
Page 49
ATTACHMENTS
Figure 3-1 Carriage Assembly
Item Part Number Qty. Description Rev.
1001102554 1 CARRIAGE ASSY, (L2906H, 2906H, 3507H, 29.6LP, 29.6 & 35.7), (includes
items 1 thru 5), (used with JD Quick Attach - see Figure 2-4 for details)
1170028 1 CARRIAGE ASSY, (includes items 1 thru 7) D 1 NSS 1 CARRIAGE WELDMENT 2 4040283 2 CARRIAGE SHAFT 3 3760508 4 SHAFT COLLAR 4 0700827 4 HEX HD CAPSCREW, 8-1.25X100mm, GR8.8 5 3290805 4 HEX LOCKNUT, 8mm 6 NSS 1 NAME PLATE 7 NSS 1 S/N PLATE
B
1001097283 1 50 IN STANDARD CARRIAGE ASSY, (7000 lbs), (619A & 723A), (includes
items 101 thru 106) 101 0642032 2 HEX HD CAPSCREW, 5/8-11X4 102 3300240 2 LOCKNUT, 5/8-11 103 3423275 1 50 IN FORK PIN 104 90200003 2 COLLAR 105 NSS 1 CARRIAGE WELDMENT 106 NSS 1 S/N PLATE
1001107333 1 CARRIAGE ASSY, (500mm), (L2906H, 2906H, 3507H, 29.6LP, 29.6 & 35.7),
(VETTER), (includes items 201 thru 206)
1001107581 1 CARRIAGE ASSY, (600mm), (L2906H, 2906H, 3507H, 29.6LP, 29.6 & 35.7),
(VETTER), (includes items 201 thru 206) 201 NSS 1 S/N PLATE 202 4032109 4 SOCKET HD CAPSCREW, M12X25 203 NSS 1 CARRIAGE WELDMENT 204 1001107336 1 CARRIAGE SHAFT 205 1001107338 2 SHAFT COVER 206 NSS 1 NAME PLATE
0240143 Ref FORK TRANSPORT LATCH, (L2906H, 2906H, 3507H, 29.6LP, 29.6 & 35.7),
(not available to order, see includes items 301 thru 304 for service) 301 0903366 2 LOCKING BRACKET 302 0761216 4 HEX HD CAPSCREW, 12X40 303 3291205 4 HEX LOCKNUT, 12mm 304 3423258 2 LOCKING PIN 401 Ref FORKS, (see Figure 3-5 for details)
1001120182 1 FORK TRANSPORT LATCH, (L2906H, 2906H, 3507H, 29.6LP, 29.6 & 35.7),
(VETTER), ( i n cl u d e s i t e ms 5 0 1 t h r u 5 0 6) 501 0701216 2 HEX HD SCR CLS 8.8 502 3291205 2 PREV TORQ HEX LOCK NUT 503 3964987 2 SPLIT PIN 504 4812100 4 WASHER, 12mm 505 1001006141 Ref FORK LOCK BACK BRACKET, (no longer available, use 1001130822 for
replacement)
1001130822 2 FORK LOCK BACK BRACKET
506 1001100262 2 CARRIAGE FORK RETAINER PIN
B
A
A
A
B
31200566 L2906H, 2906H, 3507H, 619A, 723A, 29.6LP, 29.6, 35.7 3-3
Page 50
ATTACHMENTS
6
5
4
3
2
1
11
9
8
12
8
10 11 12
7
PZ1181

Figure 3-2 Side Shift Carriage

L2906H, 2906H, 3507H, 619A, 723A, 29.6LP, 29.6, 35.7 312005663-4
Page 51
ATTACHMENTS
Figure 3-2 Side Shift Carriage
Item Part Number Qty. Description Rev.
1170002 1 SIDE SHIFT CARRIAGE ASSY, (includes items 1 thru 5 & 7 thru 13) G 1 NSS 1 CARRIAGE WELDMENT 2 7028136 1 FORK PIN 3 7028137 2 COLLAR 4 3291005 2 NUT 5 0701029 2 CAPSCREW 6 Ref FORK, (see Figure 3-5 for details) 7 70021558 1 CYLINDER 8 70021559 2 BOLT 9 70021560 1 PIN
10 70021561 1 PIN 11 70021562 2 WASHER 12 70021563 2 ROLL PIN 13 NSS 1 S/N PLATE, (not shown)
31200566 L2906H, 2906H, 3507H, 619A, 723A, 29.6LP, 29.6, 35.7 3-5
Page 52
ATTACHMENTS
619A & 723A

Figure 3-3 Side Tilt Carriage

L2906H, 2906H, 3507H, 619A, 723A, 29.6LP, 29.6, 35.7 312005663-6
Page 53
ATTACHMENTS
Figure 3-3 Side Tilt Carriage
Item Part Number Qty. Description Rev.
1170046 1 SIDE TILT CARRIAGE, (619A & 723A), (includes all items) C 1 NSS 1 CARRIAGE WELDMENT 2 NSS 1 TILT CARRIAGE WELDMENT 3 4040283 2 CARRIAGE SHAFT 4 3760508 4 SHAFT COLLAR 5 70021236 4 HEX HD CAPSCREW 6 3290805 4 HEX LOCKNUT 7 70021238 2 BUFFER 8 70021239 1 COLLAR 9 70021240 1 HEX HD CAPSCREW
10 70021241 1 HEX LOCKNUT 11 70021242 1 GREASE FITTING 12 70021243 1 GREASE FITTING COVER 13 70021244 1 WASHER 14 70022697 1 HEX LOCKNUT 15 70020506 1 CYLINDER
70023271 1 SEAL KIT
70023272 1 VALVE 16 70020507 2 WASHER 17 70020508 2 SNAP RING 18 70021245 1 GREASE FITTING 19 70021246 1 GREASE FITTING 20 70021247 2 GREASE FITTING COVER 21 70020730 2 GASKET 22 70020731 2 LINK 23 70021248 2 HYDRAULIC TUBE 24 1001094556 1 MALE QUICK DISCONNECT COUPLING 25 1001094555 1 FEMALE QUICK DISCONNECT COUPLING
31200566 L2906H, 2906H, 3507H, 619A, 723A, 29.6LP, 29.6, 35.7 3-7
Page 54
ATTACHMENTS
PAL4400
1
1
3
5
3
5
16
10
25
15
14
20
18 23
19 24
8
12
27
26
13
2
4
7
28
29
17
6
11
9
21
22
619A & 723A
Figure 3-3 Side Tilt Carriage
L2906H, 2906H, 3507H, 619A, 723A, 29.6LP, 29.6, 35.7 312005663-8
Page 55
ATTACHMENTS
Figure 3-3 Side Tilt Carriage
Item Part Number Qty. Description Rev.
1001099613 1 48 IN SIDE TILT CARRIAGE, (619A & 723A), (7000 lbs), (includes items 1 thru
29) 1 70021349 2 HEX HD CAPSCREW, 0.38X1.00 2 7029691 4 HEX HD CAPSCREW, 0.50X1.25 3 90554042 2 LOCKWASHER, 0.38 4 90554020 4 LOCKWASHER, 0.50 5 70021350 2 FLAT WASHER, 0.38 6 70021346 1 FLAT WASHER, 1.50 7 70021338 4 HARD WASHER, 0.50 8 7029700 1 COTTER PIN 9 90554065 1 ELBOW, 90 DEGREES
10 90554045 1 GREASE FITTING 11 70021347 1 HEX HD CAPSCREW, 1.50X7.00 12 7029713 1 HEX NUT, 1.50 13 7029690 2 FORK PIN RETAINER 14 7029705 1 ELBOW, 90 DEGREES 15 70021348 1 PIN 16 70021351 1 PIN 17 70021345 1 SPACER 18 7029692 1 MALE QUICK COUPLER 19 70021342 1 FEMALE QUICK COUPLER 20 70021343 2 HOSE ASSY 21 90554017 2 PINCH POINT DECAL 22 7029711 1 HIGH PRESSURE DECAL 23 90554062 1 DUST CAP 24 90554076 1 DUST PLUG 25 Ref SIDE TILT CYLINDER, (see Figure 9-7 for details) 26 70021339 1 FORK PIN 27 NSS 1 CARRIAGE WELDMENT 28 NSS 1 REAR FRAME WELDMENT 29 NSS 1 S/N PLATE
A
31200566 L2906H, 2906H, 3507H, 619A, 723A, 29.6LP, 29.6, 35.7 3-9
Page 56
ATTACHMENTS
723A

Figure 3-4 Fork Position/ Side Shift Carriage

L2906H, 2906H, 3507H, 619A, 723A, 29.6LP, 29.6, 35.7 312005663-10
Page 57
43
43
K1
PAP15900
723A
ATTACHMENTS
Figure 3-4 Fork Position/ Side Shift Carriage (Continued)
31200566 L2906H, 2906H, 3507H, 619A, 723A, 29.6LP, 29.6, 35.7 3-11
Page 58
ATTACHMENTS
Figure 3-4 Fork Position/ Side Shift Carriage
Item Part Number Qty. Description Rev.
1001091316 1 FORK POSITION/SIDE SHIFT CARRIAGE, (723A), (includes items 1 thru 46) F
1 2110606 2 CONNECTOR 2 2130404 4 CONNECTOR 3 2130606 1 CONNECTOR 4 2170506 1 UNION 5 2170706 2 UNION 6 1001093826 1 DUST CAP 7 1001093827 1 DUST PLUG 8 6616072 2 FIBERGLIDE BEARING
9 6616152 1 SHAFT RETAINER 10 6616313 2 FORK ASSEMBLY 11 6616372 4 CYLINDER RETAINER PLATE 12 6616553 1 FORK CARRIAGE SHAFT 13 NSS 1 BACKREST WELDMENT 14 6617012 8 CYLINDER RETAINER SHIM 15 6618622 4 WEAR PAD INSERT 16 6618632 2 WEAR PAD 17 6619882 12 PAW L W E A R PA D 18 6621863 2 PALLET FORK, 2.00X4.00X40.00 19 7115372 2 PAWL CYLINDER ROD END 20 7116171 4 SPACER 21 1001094555 1 FEMALE QUICK DISCONNECT COUPLING 22 1001094556 1 MALE QUICK DISCONNECT COUPLING 23 8301428 4 CLEVIS PIN, 5/8X1-1/2 24 8303702 4 HEX HD CAPSCREW, 0.500-13NCX3, GR5 25 8303757 2 HEX HD CAPSCREW, 0.312-18NCX2.5, GR5 26 8305006 2 HEX NUT, 0.250-20 27 8305624 3 HEX LOCKNUT, 0.250-20 28 8305644 4 HEX LOCKNUT, 0.500-13 29 8305645 2 HEX LOCKNUT, 0.375-16 30 8307004 2 LOCKWASHER, 5/16 31 8307109 3 WASHER, 0.250 32 8307110 2 WASHER, 0.375 33 8310261 2 SCREW, 0.750-10X1.5 34 8310264 4 HAIR PIN 35 8310341 4 SCREW, 0.375-16X1.5 36 8406105 4 TUBE CLIP, 0.75 37 8406109 3 TUBE CLIP, 0.5 38 NSS 1 CARRIAGE WELDMENT 39 Ref FORK SIDE SHIFT CYLINDER, (see Figure 9-6 for details) 40 1001092465 1 MANIFOLD VALVE
70022664 1 CARTRIDGE 41 1001092764 4 TUBE END REDUCER CONNECTOR 42 NSS 1 S/N PLATE 43 1001093411 2 HOSE ASSY 44 1001093412 2 HOSE ASSY 45 1001093413 2 HOSE ASSY 46 1001093414 2 HOSE ASSY
L2906H, 2906H, 3507H, 619A, 723A, 29.6LP, 29.6, 35.7 312005663-12
Page 59
ATTACHMENTS
Figure 3-4 Fork Position/ Side Shift Carriage (Continued)
Item Part Number Qty. Description Rev.
K1 1001097287 1 QUICK DISCONNECT ADAPTOR KIT, (if equipped), (includes items 6, 7, 21 &
22)
31200566 L2906H, 2906H, 3507H, 619A, 723A, 29.6LP, 29.6, 35.7 3-13
Page 60
ATTACHMENTS
PZ3790
2
1
1
101
CUBING & PALLET

Figure 3-5 Forks & Fork Extensions

L2906H, 2906H, 3507H, 619A, 723A, 29.6LP, 29.6, 35.7 312005663-14
Page 61
ATTACHMENTS
Figure 3-5 Forks & Fork Extensions
Item Part Number Qty. Description Rev.
1 2340029 2 FORK, (125X45X1200mm), (2000kg each fork), (L2906H, 2906H, 3507H,
29.6LP, 29.6 & 35.7)
2 7028626 2 HEX HD CAPSCREW
B
1 2340030 1 FORK TINE ASSY, (Lamy), (100X50X1200mm), (4000kg per pair),
(sold as a pair), (L2906H, 2906H, 3507H, 29.6LP, 29.6 & 35.7)
2 7028628 2 HEX HD CAPSCREW
1 2340037 4 48 IN CUBING FORK, (2X2X48), (7760 lbs), (619A & 723A) A
1 2340040 Ref FORK, (120X50X1200mm), (4000kg per pair), (sold as a pair),
(L2906H, 2906H, 3507H, 29.6LP, 29.6 & 35.7), (no longer available, use 1001117945 for replacement),
1001117945 1 FORK, (120X50X1200mm), (4000kg per pair), (sold as a pair)
(L2906H, 2906H, 3507H, 29.6LP, 29.6 & 35.7)
2 0761612 2 HEX HD CAPSCREW, 16X25, GR8.8
1 1001100911 1 FORK TINE ASSY, (4000kg per pair), (100X50X1200mm),
(L2906H, 2906H, 3507H, 29.6LP, 29.6 & 35.7), (VETTER), (includes hardware)
2 0761214 2 HEX HD CAPSCREW, M12X30, GR8.8
1 1001099457 2 60 IN LUMBER FORK, (1.5X6X60), (7300 lbs), (619A & 723A) C
1 1001099458 2 48 IN PALLET FORK, (2X4X48), (7600 lbs), (619A & 723A) C
101 1001112559 2 FORK EXTENSION, (110X55X1800), (L2906H, 2906H, 3507H, 29.6LP,
29.6 & 35.7)
70022831 2 BOLT KIT, (includes washer & clip), (L2906H, 2906H, 3507H, 29.6LP,
29.6 & 35.7)
C
C
B
D
B
N1 Note Ref FORKS RATED LESS THAN THE ATTACHMENT OR MACHINE’S CAPACITY
DECREASES CAPACITY OF THE ATTACHMENT OR MACHINE TO THAT OF THE FORKS. FORKS RATED MORE THAN THE ATTACHMENT OR MACHINE’S CAPACITY DO NOT INCREASE ATTACHMENT OR MACHINE’S CAPACITY.
N2 Note Ref PLEASE CONSULT JLG PARTS DEPARTMENT TO DETERMINE THE
CORRECT FORKS APPLICABLE TO YOUR SPECIFIC CARRIAGE ASSEMBLY & APPLICATION.
31200566 L2906H, 2906H, 3507H, 619A, 723A, 29.6LP, 29.6, 35.7 3-15
Page 62
ATTACHMENTS
1 101
2 102
PZ1240

Figure 3-6 Truss Booms

L2906H, 2906H, 3507H, 619A, 723A, 29.6LP, 29.6, 35.7 312005663-16
Page 63
ATTACHMENTS
Figure 3-6 Truss Booms
Item Part Number Qty. Description Rev.
0240063 1 3.4M TRUSS BOOM, (1000kg), (L2906H, 2906H, 3507H, 29.6LP, 29.6 & 35.7),
(includes items 1 & 2) 1 70020421 1 HOOK 2 70020422 1 BOLT
0240110 1 3.6M TRUSS BOOM, (650kg), (includes items 101 & 102) D 101 70020423 1 HOOK 102 70020424 1 BOLT
C
31200566 L2906H, 2906H, 3507H, 619A, 723A, 29.6LP, 29.6, 35.7 3-17
Page 64
ATTACHMENTS
PAP4860

Figure 3-7 Buckets

L2906H, 2906H, 3507H, 619A, 723A, 29.6LP, 29.6, 35.7 312005663-18
Page 65
ATTACHMENTS
Figure 3-7 Buckets
Item Part Number Qty. Description Rev.
4805670 1 DIG BUCKET, WITH TEETH, 0.8m³, (L2906H, 2906H, 3507H, 29.6LP, 29.6 &
35.7), (includes items 1 thru 3)
4802100 1 DIG BUCKET, WITH TEETH, 1.0m³, (L2906H, 2906H, 3507H, 29.6LP, 29.6 &
35.7), (includes items 1 thru 3)
1 7028092 7 TOOTH 2 7028093 7 SECURING PIN 3 7028094 7 TOOTH MOUNT 4 8008424 1 TOOTH PROTECTION, (if equipped), (not shown)
0930015 1 DIG BUCKET, 0.9m³, (not shown) A
70020392 1 BLADE KIT, (includes qty. 7 each of items 12 & 13), (not shown)
0930016 1 DIG BUCKET, 1.8m³, (not shown) A
70020392 1 BLADE KIT, (includes qty. 7 each of items 12 & 13), (not shown)
0930008 1 DIG BUCKET, 0.8m³, (L2906H, 2906H, 619A, 29.6LP & 29.6), (not shown) A
70020768 1 BLADE KIT, (includes mounting hardware), (not shown)
0930009 1 DIG BUCKET, 1.5m³, (L2906H, 2906H, 619A, 29.6LP & 29.6), (not shown) A
70020768 1 BLADE KIT, (includes mounting hardware), (not shown)
1001094612 1 TEETH KIT, (includes items 11 thru 13), (not shown) A 11 1001094611 7 TOOTH 12 1001094615 14 HEX HD CAPSCREW, M20X72 13 1001094616 14 HEX NUT, M20X2.5
B
B
31200566 L2906H, 2906H, 3507H, 619A, 723A, 29.6LP, 29.6, 35.7 3-19
Page 66
ATTACHMENTS
PAP15910
5
15
11
10
6
1
18
12
8
14
2
4
7 9
17
16
21
20
19
22
23
K1

Figure 3-8 Multi-Purpose Buckets

L2906H, 2906H, 3507H, 619A, 723A, 29.6LP, 29.6, 35.7 312005663-20
Page 67
ATTACHMENTS
Figure 3-8 Multi-Purpose Buckets
Item Part Number Qty. Description Rev.
0930003 1 MULTI-PURPOSE BUCKET, 1m, (includes items 1 thru 23) D 0930006 1 MULTI-PURPOSE BUCKET, 2.05m, (L2906H, 2906, 619A, 29.6LP & 29.6)
(includes items 1 thru 23)
1 7028990 2 CYLINDER
7028910 AR CYLINDER SEAL KIT 2 7028911 2 PIN 3 7028912 6 NUT, (not shown) 4 7028913 2 PIN 5 7028914 2 PROTECTING PLATE 6 7028915 2 PIN 7 7028916 4 HEX HD SCREW 8 7028131 6 BUSHING 9 7028917 4 WASHER
10 7028918 6 GREASE NIPPLE 11 7028920 2 SCREW 12 7028919 4 SCREW 14 NSS 1 WELDMENT 15 7028923 1 GAUGE 16 1001094555 1 FEMALE QUICK DISCONNECT COUPLING 17 1001094556 1 MALE QUICK DISCONNECT COUPLING 18 NSS 1 WELDMENT 19 7028982 1 HOSE ASSY 20 7028983 1 HOSE ASSY 21 7028984 2 HOSE ASSY 22 7028985 1 HOSE ASSY
23 7028991 1 HOSE ASSY 101 1001093826 1 DUST CAP, (not shown) 102 1001093827 1 DUST PLUG, (not shown)
C
K1 1001097287 1 QUICK DISCONNECT ADAPTER KIT, (includes items 16, 17, 101 & 102)
31200566 L2906H, 2906H, 3507H, 619A, 723A, 29.6LP, 29.6, 35.7 3-21
Page 68
ATTACHMENTS
6 7
9
12
4
13
10
2
1
5
21
20
8
11
3
17
19
18
15
16
PZ0221

Figure 3-9 Manure Bucket

L2906H, 2906H, 3507H, 619A, 723A, 29.6LP, 29.6, 35.7 312005663-22
Page 69
ATTACHMENTS
Figure 3-9 Manure Bucket
Item Part Number Qty. Description Rev.
0930004 1 MANURE BUCKET, 1.0m³, (includes items 1 thru 21) D 0930005 1 MANURE BUCKET, 0.8m³, (L2906H, 2906H, 619A, 29.6LP & 29.6), (includes
items 1 thru 21)
1 NSS 1 WELDMENT 2 7028133 1 SIDE PLATE ASSY, (1.0m³)
7029323 1 SIDE PLATE ASSY, (0.8m³)
3 7028132 1 BLADE ASSY, (1.0m³), (includes blade & the following hardware)
7029356 8 HEX LOCKNUT, M16-8
70023484 8 BOLT, M16X60, GR10.9
7029322 1 BLADE ASSY, (0.8m³), (includes blade & the following hardware) 7029356 7 HEX LOCKNUT, M16-8
70023484 7 BOLT, M16X60, GR10.9
4 7028126 2 ADJUSTING BRACKET 5 7028125 1 GRAPPLE, (1.0m³)
7029321 1 GRAPPLE, (0.8m³)
6 7028127 2 TILT CYLINDER
7028910 2 SEAL KIT 7 7028131 6 BUSHING 8 7028128 2 PIN 9 7028129 2 LOCKING PIN
10 7028130 2 PIN 11 7028135 4 ROLL PIN 12 7028134 8 ROLL PIN 13 7028124 2 CIRCLIP 15 7028986 1 HOSE ASSY 16 7028987 1 HOSE ASSY 17 7028988 1 HOSE ASSY 18 7028989 1 HOSE ASSY 19 7028984 2 HOSE ASSY 20 1001094555 1 FEMALE QUICK DISCONNECT COUPLING 21 1001094556 1 MALE QUICK DISCONNECT COUPLING
C
31200566 L2906H, 2906H, 3507H, 619A, 723A, 29.6LP, 29.6, 35.7 3-23
Page 70
ATTACHMENTS
2
1
6
7
4
5
3
PAL4560
619A & 723A

Figure 3-10 Fork Mounted Hook

L2906H, 2906H, 3507H, 619A, 723A, 29.6LP, 29.6, 35.7 312005663-24
Page 71
Figure 3-10 Fork Mounted Hook (Continued)
101
103
104
105
102 106 107
PAL4570
108
L2906H, 2906H, 3507H, 29.6LP, 29.6 & 35.7
ATTACHMENTS
31200566 L2906H, 2906H, 3507H, 619A, 723A, 29.6LP, 29.6, 35.7 3-25
Page 72
ATTACHMENTS
Figure 3-10 Fork Mounted Hook
Item Part Number Qty. Description Rev.
91565094 1 FORK MOUNTED HOOK, (619A & 723A), (includes items 1 thru 7) A
1 7029520 2 COTTER PIN 2 70020554 2 PIN 3 70020555 1 BUSHING 4 90554080 1 HOOK 5 7029521 1 CHAIN 6 NSS 1 FORK MOUNTED HOOK WELDMENT 7 NSS 1 S/N PLATE
2700118 1 FORK MOUNTED HOOK ASSY, (L2906H, 2906H, 3507H, 29.6LP, 29.6 & 35.7),
(includes items 101 thru 108) 101 NSS 1 FORK MOUNTED HOOK WELDMENT 102 70020201 1 PIN 103 70020202 1 HOOK 104 70020203 2 PIN 105 70020204 4 RETAINING RING 106 70020205 1 BOLT 107 70020206 1 SELF LOCKING NUT 108 NSS 1 S/N PLATE
B
L2906H, 2906H, 3507H, 619A, 723A, 29.6LP, 29.6, 35.7 312005663-26
Page 73
ATTACHMENTS
Figure 3-10 Fork Mounted Hook (Continued)
Item Part Number Qty. Description Rev.
31200566 L2906H, 2906H, 3507H, 619A, 723A, 29.6LP, 29.6, 35.7 3-27
Page 74
ATTACHMENTS
18
16
17
15
14
11
10
11
10
7
8
9
4
5
5
6
4
2
5
6
7
8
9
PZ0170
L2906H, 2906H, 3507H, 29.6LP, 29.6 & 35.7

Figure 3-11 Concrete Ladle

L2906H, 2906H, 3507H, 619A, 723A, 29.6LP, 29.6, 35.7 312005663-28
Page 75
ATTACHMENTS
Figure 3-11 Concrete Ladle
Item Part Number Qty. Description Rev.
0240158 1 CONCRETE LADLE, (L2906H, 2906H, 3507H, 29.6LP, 29.6 & 35.7), (includes
all items) 2 70020723 1 HYDRAULIC CYLINDER 4 70020724 2 BOLT 5 70020725 4 WASHER 6 70020726 2 NUT 7 70020727 2 PIN 8 70020728 2 WASHER 9 70020729 2 PIN
10 70020203 2 SAFETY PIN 11 70020204 4 RETAINING RING 14 70020730 2 GASKET 15 70020731 2 LINK 16 70020732 2 PIPE 17 1001094556 1 MALE QUICK DISCONNECT COUPLING 18 1001094555 1 FEMALE QUICK DISCONNECT COUPLING
C
31200566 L2906H, 2906H, 3507H, 619A, 723A, 29.6LP, 29.6, 35.7 3-29
Page 76
ATTACHMENTS
1
3
2
14
15
16
23
24
25
26
13
11
12
PZ4330

Figure 3-12 Round Fork Tine

L2906H, 2906H, 3507H, 619A, 723A, 29.6LP, 29.6, 35.7 312005663-30
Page 77
ATTACHMENTS
Figure 3-12 Round Fork Tine
Item Part Number Qty. Description Rev.
2340035 1 ROUND TINE FORK, (includes items 1 thru 3) B 1 NSS 1 WELDMENT 2 7029359 2 FORK KIT, (includes items 11 thru 16) 3 NSS 2 ATTACH WELDMENT, (includes items 23 thru 26)
11 7029354 4 U-BOLT 12 70023062 2 FORK TINE WELDMENT 13 7029356 8 HEX LOCKNUT, M16, GR8 14 7029361 2 FORK 15 7029362 2 HEX HD CAPSCREW, M8X50, GR8.8 16 7029363 2 HEX LOCKNUT, M8, GR8 23 7029353 8 PLATE 24 7029354 8 U-BOLT 25 7029355 16 HEX HD CAPSCREW, M16X130, GR8.8 26 7029356 32 HEX LOCKNUT, M16, GR8
31200566 L2906H, 2906H, 3507H, 619A, 723A, 29.6LP, 29.6, 35.7 3-31
Page 78
PAP15920
103
101
102
114 116
113
115 116
2
24 26
25 26
23
4 8 9
5
11
10
7
6
1
K1 K2
ATTACHMENTS

Figure 3-13 Bale Handler

L2906H, 2906H, 3507H, 619A, 723A, 29.6LP, 29.6, 35.7 312005663-32
Page 79
ATTACHMENTS
Figure 3-13 Bale Handler
Item Part Number Qty. Description Rev.
0240117 1 BALE HANDLER, TUBE TYPE, (includes items 1 thru 11) A 1 NSS 1 WELDMENT 2 7029344 2 ATTACH WELDMENT, (includes items 23 thru 26) 4 7029345 8 HEX HD CAPSCREW, M12X45, GR8.8 5 7029346 4 STRAP 6 7029347 1 TUBE ARM, LEFT 7 7029348 1 TUBE ARM, RIGHT 8 7029349 8 FLAT WASHER, M12 9 7029350 8 HEX LOCKNUT, M12X8
10 7029351 4 HEX HD CAPSCREW, M22X180, GR8.8 11 7029352 4 HEX LOCKNUT, M22X8 23 7029353 8 PLATE 24 7029354 8 U-BOLT 25 7029355 16 HEX HD CAPSCREW, M16X130, GR8.8 26 7029356 32 HEX LOCKNUT, M16X8
0240118 1 BALE HANDLER, SPIKE TYPE, (includes items 101 thru 103) A
101 NSS 1 WELDMENT 102 7029344 2 ATTACH WELDMENT, (includes items 113 thru 116) 103 7029357 8 SPIKE 113 7029353 8 PLATE 114 7029354 8 U-BOLT 115 7029355 16 HEX HD CAPSCREW, M16X130, GR8.8 116 7029356 32 HEX LOCKNUT, M16X8
K1 2902440 1 SPIKE TYPE TO TUBE TYPE CONVERSION KIT, (includes items 4 thru 11) A K2 2902441 1 TUBE TYPE TO SPIKE TYPE CONVERSION KIT, (includes item 103) A
31200566 L2906H, 2906H, 3507H, 619A, 723A, 29.6LP, 29.6, 35.7 3-33
Page 80
ATTACHMENTS
619A & 723A

Figure 3-14 Universal Hitch Attach

L2906H, 2906H, 3507H, 619A, 723A, 29.6LP, 29.6, 35.7 312005663-34
Page 81
ATTACHMENTS
Figure 3-14 Universal Hitch Attach
Item Part Number Qty. Description Rev.
1001099425 1 UNIVERSAL HITCH ATTACH, (619A & 723A), (includes all items) A
1 70021429 2 HEX HD CAPSCREW, 0.38X1.25 2 70021350 2 FLAT WASHER, 0.38 3 NSS 1 USA DECAL 4 90554045 2 GREASE FITTING 5 70021430 4 SPACER 6 70021431 2 LOCKING PIN 7 70021432 2 CLEVIS 8 70021433 2 BEARING 9 70021434 1 LEFT LOCK HANDLE
10 70021384 2 SPRING LOCK HANDLE 11 70021435 2 CLEVIS SPRING 12 70021436 2 BOLT 13 70021437 2 PIN 14 70021438 1 RIGHT LOCK HANDLE 15 NSS 1 UNIVERSAL ATTACH WELDMENT 16 NSS 1 S/N PLATE
31200566 L2906H, 2906H, 3507H, 619A, 723A, 29.6LP, 29.6, 35.7 3-35
Page 82
PAP16070
104
101 109 114
118
106
107
105
105
105
112
103
110
115
117
116
6
3
5
8
7
1
2
4
111
108 113
619A & 723A
ATTACHMENTS

Figure 3-15 Fork Mounted Platform

L2906H, 2906H, 3507H, 619A, 723A, 29.6LP, 29.6, 35.7 312005663-36
Page 83
ATTACHMENTS
Figure 3-15 Fork Mounted Platform
Item Part Number Qty. Description Rev.
1001103637 1 FORK MOUNTED PLATFORM, (619A, 723A), (ASME), (includes items 1 thru 8) D 1001103730 1 FORK MOUNTED PLATFORM, (619A, 723A), (ISO), (includes items 1 thru 8) D 1001103736 1 FORK MOUNTED PLATFORM, (619A, 723A), (FRENCH),
(includes items 1 thru 8) 1 1702773 2 JLG DECAL 2 1704885 1 WEBSITE DECAL 3 1706892 1 PLATFORM WARNING DECAL, (ASME)
1001096025 1 PLATFORM WARNING DECAL, (ISO) 1001096024 1 PLATFORM WARNING DECAL, (FRENCH)
5 1001092481 1 WARNING DECAL, (ASME)
1001096021 1 WARNING DECAL, (ISO) 1001096019 1 WARNING DECAL, (FRENCH)
6 1001092482 1 CAPACITY DECAL, (ASME)
1001096023 1 CAPACITY DECAL, (ISO) 1001096020 1 CAPACITY DECAL, (FRENCH)
7 1001096162 1 FORK MOUNTED PLATFORM, (includes items 101 thru 118) J 8 NSS 1 S/N PLATE
101 0641405 4 HEX HD CAPSCREW, 1/4-20X5/8 102 0860520 1 MANUAL STORAGE BOX, (not shown) 103 1060379 2 LANYARD CABLE 104 1701509 1 MANUAL DECAL 105 1704277 3 LANYARD ATTACH DECAL 106 2080040 16 FASTENER 107 2600281 2 HINGE 108 2940074 1 LATCH 109 3311405 4 HEX NUT, 1/4-20 110 3421453 2 PIN 111 3520072 10 PLUG 112 3760170 4 RING 113 3820020 4 RIVET 114 4711400 8 WASHER, 1/4 115 4846452 1 GATE WELDMENT 116 NSS 1 PLATFORM 117 1001095810 1 GATE WELDMENT 118 1001102813 2 HITCH PIN
D
31200566 L2906H, 2906H, 3507H, 619A, 723A, 29.6LP, 29.6, 35.7 3-37
Page 84
ATTACHMENTS
This Page Intentionally Left Blank
L2906H, 2906H, 3507H, 619A, 723A, 29.6LP, 29.6, 35.7 312005663-38
Page 85
SECTION 4
ENGINE & ATTACHING PARTS
31200566 L2906H, 2906H, 3507H, 619A, 723A, 29.6LP, 29.6, 35.7
Page 86
ENGINE & ATTACHING PARTS
11 16
22
36
8
29
15
23
6
3
28
1 10
27
504
39
40 41
40 41
PZ2910
35
13
1 7
501
502
14 101
102
103
104
105
106
5
1
17
30
503
7 12
1
21
1
20
31
10 25
10 16
38
34
32
401 402 410
409
IF EQUIPPED WITH ENCLOSED CAB

Figure 4-1 Engine Installation

L2906H, 2906H, 3507H, 619A, 723A, 29.6LP, 29.6, 35.7 312005664-2
Page 87
ENGINE & ATTACHING PARTS
PAP4501
37
1
7
201
19 202
26
10
24
18 302
301
9
24
26
36
7
29
35
4 16
44
46
43
45
42
33
K1 K2 K3
IF EQUIPPED WITH OPEN CAB
Figure 4-1 Engine Installation (Continued)
31200566 L2906H, 2906H, 3507H, 619A, 723A, 29.6LP, 29.6, 35.7 4-3
Page 88
ENGINE & ATTACHING PARTS
Figure 4-1 Engine Installation
Item Part Number Qty. Description Rev.
1001102957 Ref ENGINE INSTALLATION, (619A & 723A), (if equipped with open cab), (not
available to order, see items 1 thru 11, 13 thru 14, 16 thru 21, 24 thru 46 for service)
1001097382 Ref ENGINE INSTALLATION, (if equipped with an enclosed cab),
(not available to order, see items 1 thru 46 for service)
1 1001095650 AR
LOCTITE® 243
TM
2 466104 1 ANGLE JOINT 3 0700617 2 HEX HD CAPSCREW, M6X45, GR8.8 4 0701015 2 HEX HD CAPSCREW, M10X35, GR8.8 5 0701229 4 HEX HD CAPSCREW, M12X120, GR8.8 6 0760410 4 HEX HD CAPSCREW, M4X20, GR8.8, (if equipped with enclosed cab) 7 0760808 4 HEX HD CAPSCREW, M8X16, GR8.8 8 0760810 3 HEX HD CAPSCREW, M8X20, GR8.8
9 0761008 3 HEX HD CAPSCREW, M10X16, GR8.8 10 0761012 28 HEX HD CAPSCREW, M10X25, GR8.8 11 0761014 2 HEX HD CAPSCREW, M10X30, GR8.8 13 1001108186 1 BRACKET 14 1001103772 1 FLYWHEEL COUPLING, (includes items 101 thru 106) A 15 3290405 2 HEX NUT, M4X0.7, (if equipped with enclosed cab) 16 3291005 7 HEX LOCKNUT, M10X1.5 17 3291205 4 HEX LOCKNUT, M12X1.75 18 3576005 1 ENGINE DRAIN ACCESS PLATE, (includes items 301 & 302) A 19 3576006 1 MOTOR ACCESS PLATE, (includes items 201 & 202) A 20 0761615 2 HEX HD CAPSCREW, M16X35, GR8.8, (torque to 210 Nm) 21 4340966 1 ENGINE BRACKET 22 4400493 1 WASHER TANK, (if equipped with enclosed cab)
70022874 1 PUMP MOTOR
23 1001091102 2 WASHER, 4mm, (if equipped with enclosed cab) 24 4812000 13 WASHER, 10mm 25 4812002 3 WASHER, 10mm 26 5200608 10 RIPP BOLT, M6X16 27 5212000 12 RIPP WASHER, 10mm 28 5220600 2 RIPP NUT, 6mm 29 5220800 3 RIPP NUT, 8mm 30 5241200 4 WASHER, 12mm 31 5241600 2 WASHER, 16mm 32 Ref DEUTZ ENGINE, TIER III, (see Figure 4-2 for details) 33 1001097241 1 COVER 34 1001097799 1 BRACKET 35 Ref HYDROSTATIC TRANSMISSION, (see Figure 9-14 for details) 36 1001102956 1 BRACKET, (if equipped with open cab)
1001099564 1 BRACKET, (619A & 723A), (if equipped with enclosed cab)
37 1001102564 1 BELLY PAN PANEL, (L2906H, 2906H, 3507H, 619A & 723A)
1001102564B 1 BELLY PAN PANEL, (29.6LP, 29.6 & 35.7)
38 1001102687 1 FUEL FILTER BRACKET 39 1001102926 2 HOSE ASSY 40 1001102931 4 BOLT 41 1001102933 10 SEAL 42 471678 2 BAND, CLAMP, 4.8X204mm
E
H
L2906H, 2906H, 3507H, 619A, 723A, 29.6LP, 29.6, 35.7 312005664-4
Page 89
ENGINE & ATTACHING PARTS
Figure 4-1 Engine Installation (Continued)
Item Part Number Qty. Description Rev.
43 0760606 1 HEX HD CAPSCREW, CLS 8.8 FULLTHD, M6 X 12LG 44 1321293 1 CLAMP, CABLE 45 3290605 1 PREV TORQ HEX LOCK NUT, M6 X 1
46 1001115759 1 BRACKET, THROTTLE CABLE 101 70022385 1 MOUNTING PLATE 102 4 SOCKET HD CAPSCREW, M16X30, (torque to 210 Nm) 103 7029256 1 FLANGE, (includes item 102) 104 70022386 1 HUB, (includes item 106) 105 7029259 1 END DISK 106 1 BOLT, (torque to 210 Nm) 201 2820202 1 INSULATION 202 3575650 1 COVER PLATE 301 2820201 1 INSULATION 302 3575671 1 PLATE COVER 401 1001095650 AR
LOCTITE® 243 402 0761214 2 HEX HD CAPSCREW, M12X30, GR8.8 409 3760497 1 O-RING 410 4812100 2 WASHER, 12mm 501 Ref PISTON PUMP/GEAR PUMP, (see Figure 9-16 for details) 502 Ref FAN, (see Figure 4-4 for details) 503 Ref ENGINE MOUNT, (see Figure 4-2 for details) 504 Ref FUEL PRIMING PUMP, (see Figure 4-2 for details)
K1 1001125702 1 FUEL/ENGINE OIL FILTER KIT, (includes fuel filter, pre-fuel filter & oil filter) K2 1001125703 1 HYDRAULIC/AIR FILTER KIT, (includes hydraulic return filter, hydrostatic
transmission filter, main air filter & secondary air filter)
K3 1001125704 1 COMBINED FILTER KIT, (includes fuel filter, pre-fuel filter, oil filter, hydraulic
return filter, hydrostatic transmission filter, main air filter & secondary air filter)
TM
31200566 L2906H, 2906H, 3507H, 619A, 723A, 29.6LP, 29.6, 35.7 4-5
Page 90
ENGINE & ATTACHING PARTS
PZ2860

Figure 4-2 Deutz Engine

L2906H, 2906H, 3507H, 619A, 723A, 29.6LP, 29.6, 35.7 312005664-6
Page 91
ENGINE & ATTACHING PARTS
Figure 4-2 Deutz Engine
Item Part Number Qty. Description Rev.
1001094508 1 DEUTZ ENGINE, TIER III, (includes all items) F
7029274 1 FUEL FILTER SPIN-ON CARTRIDGE
70022399 1 FUEL FILTER BRACKET 70022397 1 95-AMP ALTERNATOR, (Before Deutz S/N 10795955), (includes hardware)
7029376 1 VOLTAGE REGULATOR
70024667 1 150-AMP ALTERNATOR, (Deutz S/N 10795955 & After), (includes hardware) 70024668 1 VOLTAGE REGULATOR 70022398 1 DIPSTICK
7020487 1 DIPSTICK O-RING
70022400 1 FUEL NON-RETURN VALVE
7029447 1 FUEL PRE-FILTER ASSY, (includes mounting hardware) 7029370 1 DRAIN PLUG 7029275 1 FUEL PRE-FILTER INSERT, (includes o-rings)
7029384 1 FUEL PRIMING PUMP, (includes fuel hand pump & o-ring) 70000919 1 FUEL HAND PUMP 70022401 1 OIL FILTER ELEMENT 70022402 1 O-RING 70022403 1 OIL FILTER COVER
7029392 1 STARTER
7029374 1 ALTERNATOR BELT
7029402 1 FAN BELT 70023242 1 CYLINDER HEAD 70023243 1 GASKET, CYL HEAD, 1 NOTCH 70023244 1 GASKET, CYL HEAD, 2 NOTCH 70023245 1 GASKET, CYL HEAD, 3 NOTCH 70023246 1 TURBOCHARGER ASSY 70023247 1 GASKET, TURBOCHARGER EXHAUST 70023248 1 OIL PAN 70023249 1 GASKET, OIL PAN 70023250 1 OIL PUMP 70023251 1 WATER PUMP 70023252 1 FUEL INJECTOR 70023253 1 PULLEY, CRANKSHAFT 70023254 1 PULLEY, COOLANT PUMP 70023255 1 PULLEY, ALTERNATOR DRIVE
7029387 1 GASKET SET, COMPLETE ENGINE
7029388 1 BLOCK HEATER
7029395 1 THERMOSTAT, ENGINE COOLANT
7029394 1 GASKET, THERMOSTAT
7029386 1 FUEL LIFT PUMP
7024565 1 SPEED SENSOR 70023917 1 SHUTDOWN SOLENOID, (includes o-ring)
31200566 L2906H, 2906H, 3507H, 619A, 723A, 29.6LP, 29.6, 35.7 4-7
Page 92
PZ2870
12
45
37
20
2
30
22
29
1
10
31
1 4
21
18
45
23
27
20
45
1 5
33
1
8
30
28
42
44
1 3
13
35
1
3 13 35
42
44
102
101
45
40
45
45
43
45
43
1
7
19 22
45
103
42
44
44
45
41
1
6
19
17
ENGINE & ATTACHING PARTS

Figure 4-3 Fuel Tank & Lines

L2906H, 2906H, 3507H, 619A, 723A, 29.6LP, 29.6, 35.7 312005664-8
Page 93
ENGINE & ATTACHING PARTS
Figure 4-3 Fuel Tank & Lines
Item Part Number Qty. Description Rev.
1 1001095650 AR
LOCTITE® 243 2 0630583 1 U-BOLT 3 0700817 2 HEX HD CAPSCREW, M8X45, GR8.8 4 0760410 6 HEX HD CAPSCREW, M4X20, GR8.8 5 0760608 15 HEX HD CAPSCREW, M6X16, GR8.8 6 0760806 3 HEX HD CAPSCREW, M8X12, GR8.8 7 0760808 1 HEX HD CAPSCREW, M8X16, GR8.8 8 0760810 4 HEX HD CAPSCREW, M8X20, GR8.8
10 0761010 2 HEX HD CAPSCREW, M10X20, GR8.8 12 1120576 1 FUEL CAP 13 1309435 2 CLAMP COVER PLATE 17 Ref PLUG, (see Figure 1-1 for details) 18 2420205 1 FUEL GAUGE 19 2443576 1 HOSE CLAMP 20 2720613 1 FUEL VENT HOSE, (L2906H & 29.6LP)
2720558 1 FUEL VENT HOSE, (2906H, 619A & 29.6) 2720556 1 FUEL VENT HOSE, (3507H, 723A & 35.7)
21 3290405 6 HEX LOCKNUT, M4X0.7 22 3290805 3 HEX LOCKNUT, M8X1.25 23 3380577 1 FUEL TANK COVER PANEL 27 3960589 1 FUEL TANK COVER SEAL 28 3960603 1 FUEL FILL SEAL 29 4341033 1 FUEL FILL SUPPORT 30 4811900 6 WASHER, 8mm 31 4812000 15 WASHER, 10mm, (L2906H, 29.6LP, 2906H, 619A, 29.6, 723A & 35.7)
4812000 11 WASHER, 10mm, (3507H)
33 4831700 15 LOCKWASHER, 6mm 35 8002781 3 CLAMP 37 3460567 1 FUEL PIPE, (L2906H & 29.6LP)
1001099779 1 FUEL PIPE, (2906H, 619A & 29.6)
1001099761 1 FUEL PIPE, (3507H, 723A & 35.7)
40 1001103164 1 HOSE ASSY 41 1001103165 1 HOSE ASSY 42 1001103166 1 HOSE ASSY 43 1001103167 1 HOSE ASSY 44 1001103168 1 HOSE ASSY
45 1320032 12 HOSE CLAMP 101 Ref FUEL PRE-FILTER, (see Figure 4-2 for details) 102 Ref FUEL PRE-FILTER PUMP, (see Figure 4-2 for details) 103 Ref FUEL NON-RETURN VALVE, (see Figure 4-2 for details)
TM
31200566 L2906H, 2906H, 3507H, 619A, 723A, 29.6LP, 29.6, 35.7 4-9
Page 94
ENGINE & ATTACHING PARTS
27
33
30
29
25
4
10
18
2
17
34
35
36
16
301
15
3
17
19
8
14
14
19
7
19
7
7
7
32 201 207
13
13
13
13
29
26
28
20
20
5
29
6
20
20
104
102
113
111
107
108
106
105
113
111
110
112
110
112
103
109
204
210
211
212
213
203
209
209
205 206
207
207
202
213
214
PAP4760
TO TURBOCHARGER

Figure 4-4 Radiator Installation

L2906H, 2906H, 3507H, 619A, 723A, 29.6LP, 29.6, 35.7 312005664-10
Page 95
ENGINE & ATTACHING PARTS
Figure 4-4 Radiator Installation
Item Part Number Qty. Description Rev.
1001098510 Ref RADIATOR INSTALLATION, (not available to order, see items 2 thru 36 for
service) 2 0760810 2 HEX HD CAPSCREW, M8X20, GR8.8 3 0760812 2 HEX HD CAPSCREW, M8X25, GR8.8 4 0761014 2 HEX HD CAPSCREW, M10X30, GR8.8 5 1001099528 1 HOSE 6 1001099529 1 HOSE 7 2720535 2.75m HOSE ASSY 8 2720536 Ref HOSE ASSY, (no longer available, use 1001114701 for replacement)
1001114701 1 HOSE ASSY 10 3291005 2 HEX LOCKNUT, M10X1.5 13 3960927 2.6m SEAL 14 3961951 2 CLIP 15 1001108148 1 BRACKET 16 4400470 1 EXPANSION TANK, (includes item 301) A 17 4811900 4 WASHER, 8mm 18 4812000 2 WASHER, 10mm 19 1321301 5 HOSE CLAMP 20 8005376 4 HOSE CLAMP 25 1001099536 1 HOSE 26 1001099537 1 HOSE 27 1001100731 1 HOSE CLAMP 28 1001104442 1 T-BOLT CLAMP, 80-87mm 29 1001104441 3 T-BOLT CLAMP, 70-77mm 30 1001101020 1 PIPE 32 1001104457 1 RADIATOR ASSY, (includes items 101 thru 113) D 33 1001105478 1 O-RING 34 0760610 4 HEX HD CAPSCREW, M6X20, GR8.8 35 4811700 4 WASHER, 6mm 36 3290605 4 HEX NUT, M6X1
101 1001098623 1 RADIATOR, (includes items 201 thru 214), (not shown) E 102 1001098504 1 RADIATOR SUPPORT PLATE 103 1001104469 1 RADIATOR SUPPORT BRACKET 104 1001102670 1 FAN 105 1001098505 1 SEAL 106 429063 2 RADIATOR MOUNT 107 8005741 2 SPACER, 5mm 108 8005743 2 SPACER, 2mm 109 2969548 1 RADIATOR MOUNT 110 3290805 2 HEX LOCKNUT, M8X1.25 111 3291005 4 HEX LOCKNUT, M10X1.5 112 4811900 2 WASHER, 8mm 113 4812000 4 WASHER, 10mm 201 70022389 1 RADIATOR COOLER 202 70022390 1 RADIATOR PANEL 203 70022291 Ref FAN SHROUDING, (no longer available, use 1001102177 for replacement)
1001102177 1 FAN SHROUD
204 70022392 1 FAN G UARD 205 70022393 1 O-RING
F
31200566 L2906H, 2906H, 3507H, 619A, 723A, 29.6LP, 29.6, 35.7 4-11
Page 96
ENGINE & ATTACHING PARTS
Figure 4-4 Radiator Installation (Continued)
Item Part Number Qty. Description Rev.
206 70022394 1 PLUG 207 70022395 0.78m SEAL 209 70022396 0.51m SEAL 210 NSS 4 HEX HD CAPSCREW, M8X20 211 NSS 4 WASHER, 8mm 212 NSS 6 HEX HD CAPSCREW, M8X25 213 NSS 14 WASHER, 8mm 214 NSS 8 HEX NUT, M8 301 70020433 1 RADIATOR CAP, 13 PSI
L2906H, 2906H, 3507H, 619A, 723A, 29.6LP, 29.6, 35.7 312005664-12
Page 97
ENGINE & ATTACHING PARTS
Figure 4-4 Radiator Installation (Continued)
Item Part Number Qty. Description Rev.
31200566 L2906H, 2906H, 3507H, 619A, 723A, 29.6LP, 29.6, 35.7 4-13
Page 98
ENGINE & ATTACHING PARTS
PAP4450
13 201 202 203
3
4
18
22
20 21
6
15
15
6
14
4
9
16
1
11
17
12
8
12
8
2
12
2
12
10
11
7
12
2

Figure 4-5 Air Cleaner Installation

L2906H, 2906H, 3507H, 619A, 723A, 29.6LP, 29.6, 35.7 312005664-14
Page 99
ENGINE & ATTACHING PARTS
Figure 4-5 Air Cleaner Installation
Item Part Number Qty. Description Rev.
1001098009 Ref AIR CLEANER INSTALLATION, (not available to order, see items 1 thru 22 for
service) 1 0700814 2 HEX HD CAPSCREW, M8X30, GR8.8 2 0701014 6 HEX HD CAPSCREW, M10X30, GR8.8 3 0840066 1 AIR FILTER INTAKE BOOT 4 1380161 2 TUBE CLAMP 5 2120212 1 AIR FILTER ASSY, (includes items 101 thru 104) B 6 2991568 3 HOSE CLAMP 7 3290801 2 HEX NUT, M8X1.25 8 3291001 4 HEX NUT, M10X1.5 9 3460421 1 AIR INTAKE PIPE
10 3929780 1 MOUNTING CLAMP 11 4811900 4 WASHER, 8mm 12 4812000 10 WASHER, 10mm 13 8002927 1 PRECLEANER, (includes items 201 thru 203) 14 91083129 1 REDUCING ELBOW 15 91403239 1 STRAIGHT HOSE REDUCER 16 1001098105 1 AIR CLEANER SUPPORT 17 1001109483 1 BRACKET 18 1001099604 1 AIR INTAKE PIPE 19 1001099757 1 AIR INTAKE PIPE 20 2988212 1 ELBOW, 90 DEGREES 21 8004981 1 LOW PRESSURE INDICATOR
22 1001009154 1 HOSE CLAMP 101 7021080 1 MAIN FILTER ELEMENT 102 7021081 1 SECONDARY FILTER ELEMENT 103 7028118 1 PROTECTION CAP 104 10733183 1 VAC UATOR VALVE 201 7028097 1 WING NUT 202 7028095 1 COVER 203 7028096 1 BOWL
E
31200566 L2906H, 2906H, 3507H, 619A, 723A, 29.6LP, 29.6, 35.7 4-15
Page 100
ENGINE & ATTACHING PARTS
4
5
4
13
12
3
3
9
9
9
6
1
PZ2890
10
11
14
16
15
4

Figure 4-6 Exhaust Installation

L2906H, 2906H, 3507H, 619A, 723A, 29.6LP, 29.6, 35.7 312005664-16
Loading...