How it Works
Log In / Sign Up
Buy Points
How it Works
FAQ
Contact Us
Questions and Suggestions
Users
Hisense
Loading...
T
TC2150
2
TC2150BCTBK
TC2151
TC2156
TC2157
TC2158 M CI-TA8690
TC2162
TC2165
TC2166
TC2166G
TC2166L
TC2167TK-WK
TC2168
TC2168A
TC2171
TC2173
TC2175
TC2175AD
TC2175G
TC2175GF
TC2175GTGD
TC2178
TC2178A
TC2179
TC218
TC2180
TC2180A
2
TC2181A
2
TC2182M
TC2187A
TC2187C
TC2188
TC2188H
2
TC2189
TC2189A
TC2193
TC2196
TC2198A
TC2199F
TC2199M
TC21R08
TC21R88N
TC24FS2H
TC2500A
TC2502DL
TC2505
TC2506
TC2507
TC2507DH
TC2507F
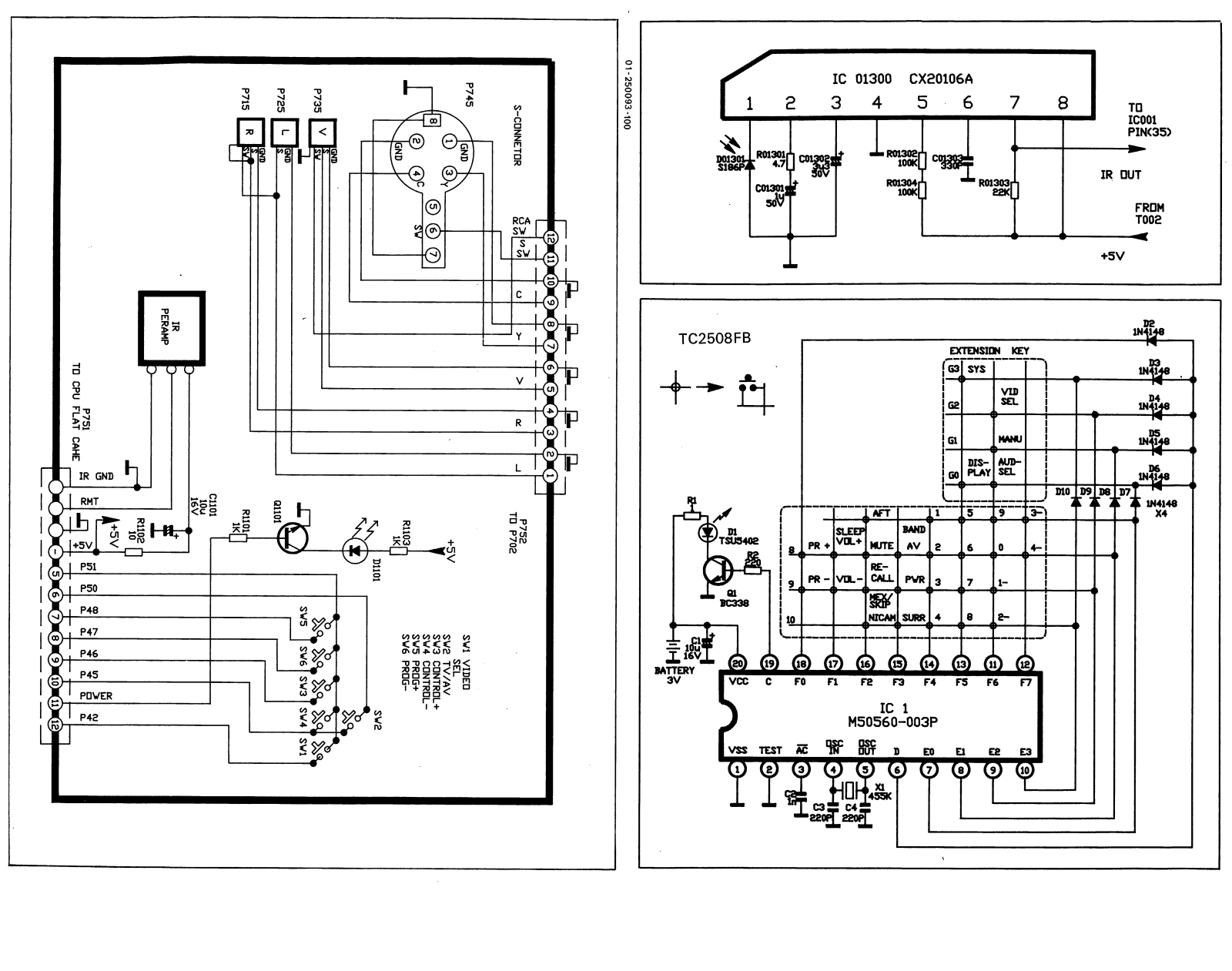
TC2508FB
TC25100
2
TC2510G
TC2511
TC2511G
TC2518KB
TC2519H
TC2519M
TC2525P
TC2530K
TC2531
TC2531MX
TC2539
TC2559
TC2566D
TC2568
TC2570
TC2572
TC2575GF
TC2588
TC2588A
TC2589
TC2589A
TC2595D
TC25R08N CI-CQ0765
TC2906H
TC2910UF
TC2911AL
TC2919H
TC2955
TC2955D
TC2961D
TC2972
TC2972A
TC2975G
TC2977
TC2977-A1
TC2989F
TC2999F
TC3406H
TC3418UF
TC3419H
TC3430A
TD29M8807HR
TDA8351
TDA8361
3
TDA8362
TDA8841
TDA9373
TDA9850
Loading...
Loading...
Nothing found
TC2508FB
Schematic
4 pgs
874.19 Kb
0
Table of contents
Loading...
Hisense TC2508FB Schematic
...
Hisense Schematic
Download
Specifications and Main Features
Frequently Asked Questions
User Manual
Download
Page 1
Page 2
Page 3
Page 4
Loading...
+
hidden pages
Unhide
You need points to download manuals.
1 point = 1 manual.
You can buy points or you can get point for every manual you upload.
Buy points
Upload your manuals